GM Service Manual Online
For 1990-2009 cars only
Makes
🢒
Oldsmobile
🢒
2000
🢒
Intrigue
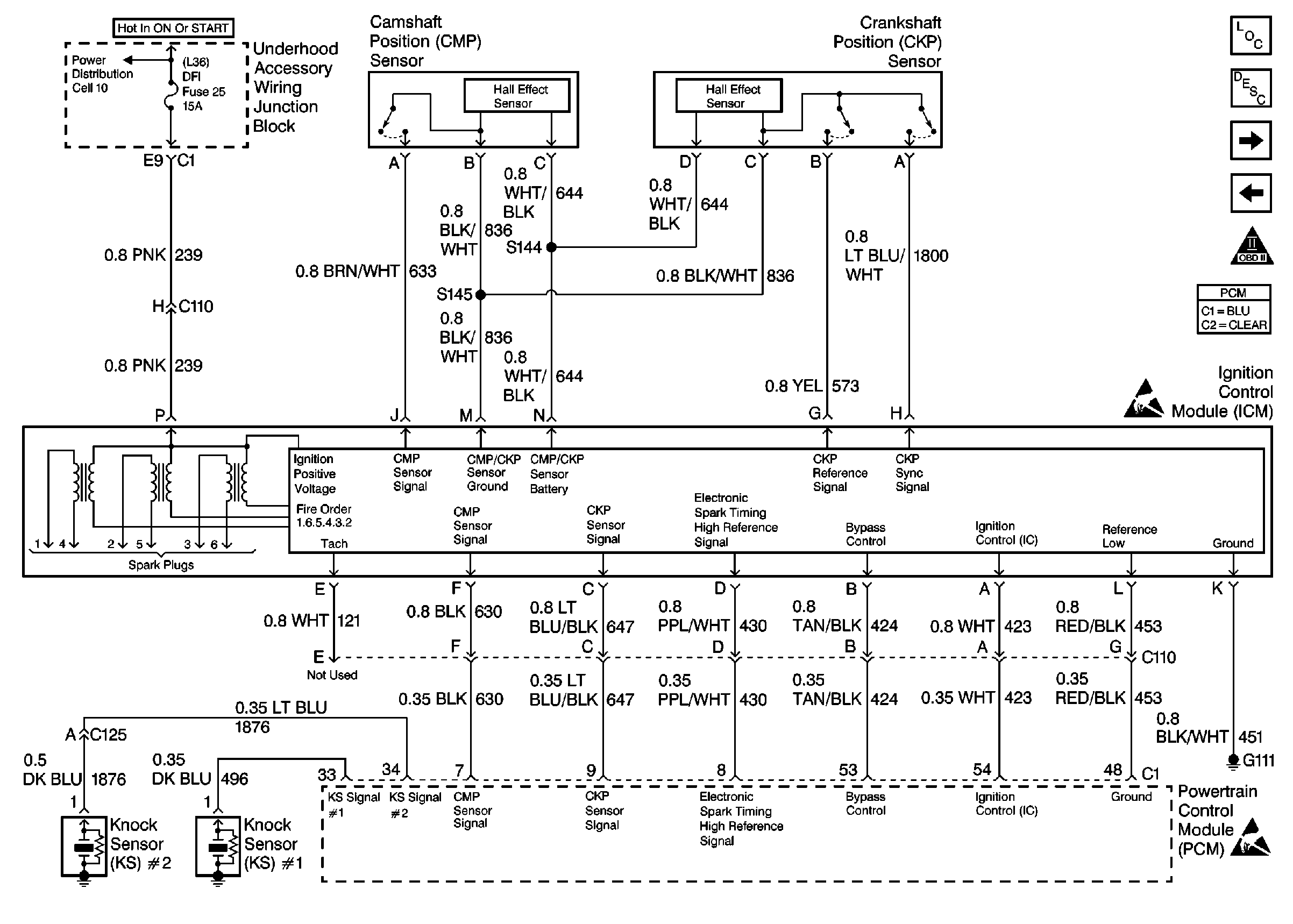
🢒 Ignition Control Module, CMP and CKP
Ignition Control Module, CMP and CKP
Ignition Control Module, CMP and CKP
Cell 10: Underhood Accessory Wiring Junction Block
Fuel Pump and Fuel Level Sensors
Power, Ground, DLC and MIL
OBD II Symbol Description Notice
Handling ESD Sensitive Parts Notice
Handling ESD Sensitive Parts Notice
Engine Controls Components