GM Service Manual Online
For 1990-2009 cars only
Makes
🢒
Oldsmobile
🢒
2000
🢒
Intrigue
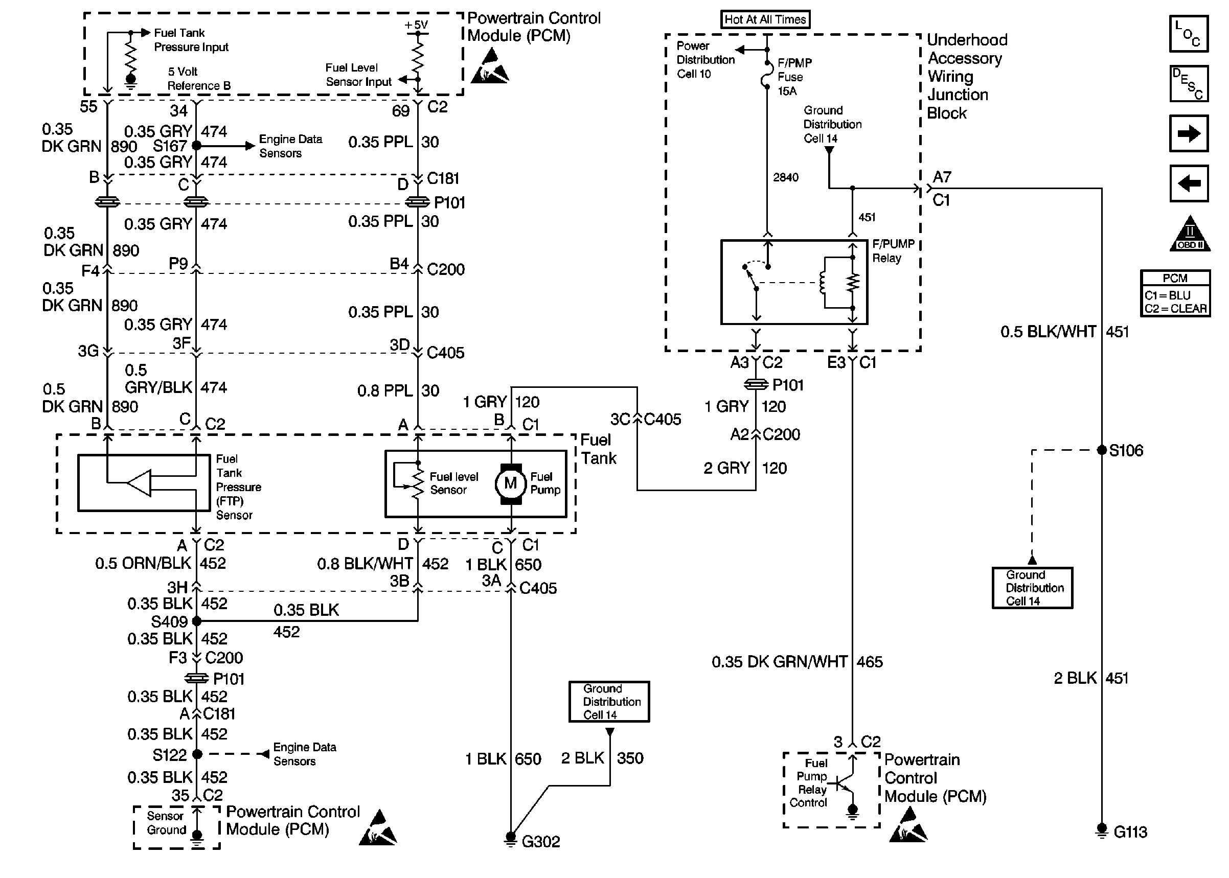
🢒 Fuel Pump and Fuel Level Sensors
Fuel Pump and Fuel Level Sensors
Fuel Pump and Fuel Level Sensors
Engine Data Sensors
Handling ESD Sensitive Parts Notice
Cell 10: Underhood Accessory Wiring Junction Block
Cell 14: L36 Engine Grounds G100, G111, and G113
Engine Controls Components
Fuel Injectors
Ignition Control Module, CMP and CKP
OBD II Symbol Description Notice
Engine Data Sensors
Handling ESD Sensitive Parts Notice
Cell 14: RH Body Ground G302 (cont.)
Cell 14: L36 Engine Grounds G100, G111, and G113
Handling ESD Sensitive Parts Notice