GM Service Manual Online
For 1990-2009 cars only
Makes
🢒
Oldsmobile
🢒
2000
🢒
Intrigue
🢒 Engine Data Sensors
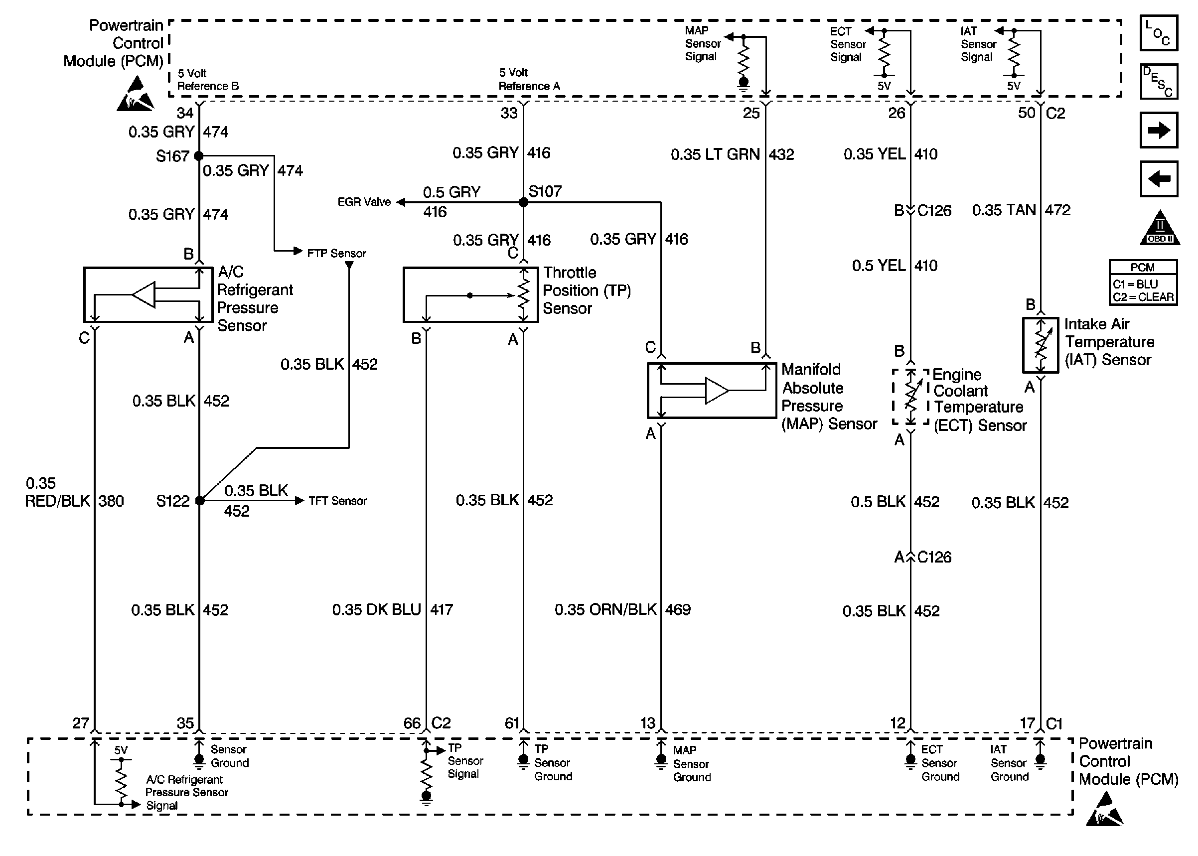
Engine Data Sensors
Engine Data Sensors
Handling ESD Sensitive Parts Notice
MAF, IAC, EGR, and EVAP
Fuel Pump and Fuel Level Sensors
Automatic Transaxle Internal Controls and TCC
Handling ESD Sensitive Parts Notice
OBD II Symbol Description Notice
Fuel Injectors
Heated Oxygen Sensor (HO2S) #1 and #2
Engine Controls Components