GM Service Manual Online
For 1990-2009 cars only
Makes
🢒
Oldsmobile
🢒
2000
🢒
Intrigue
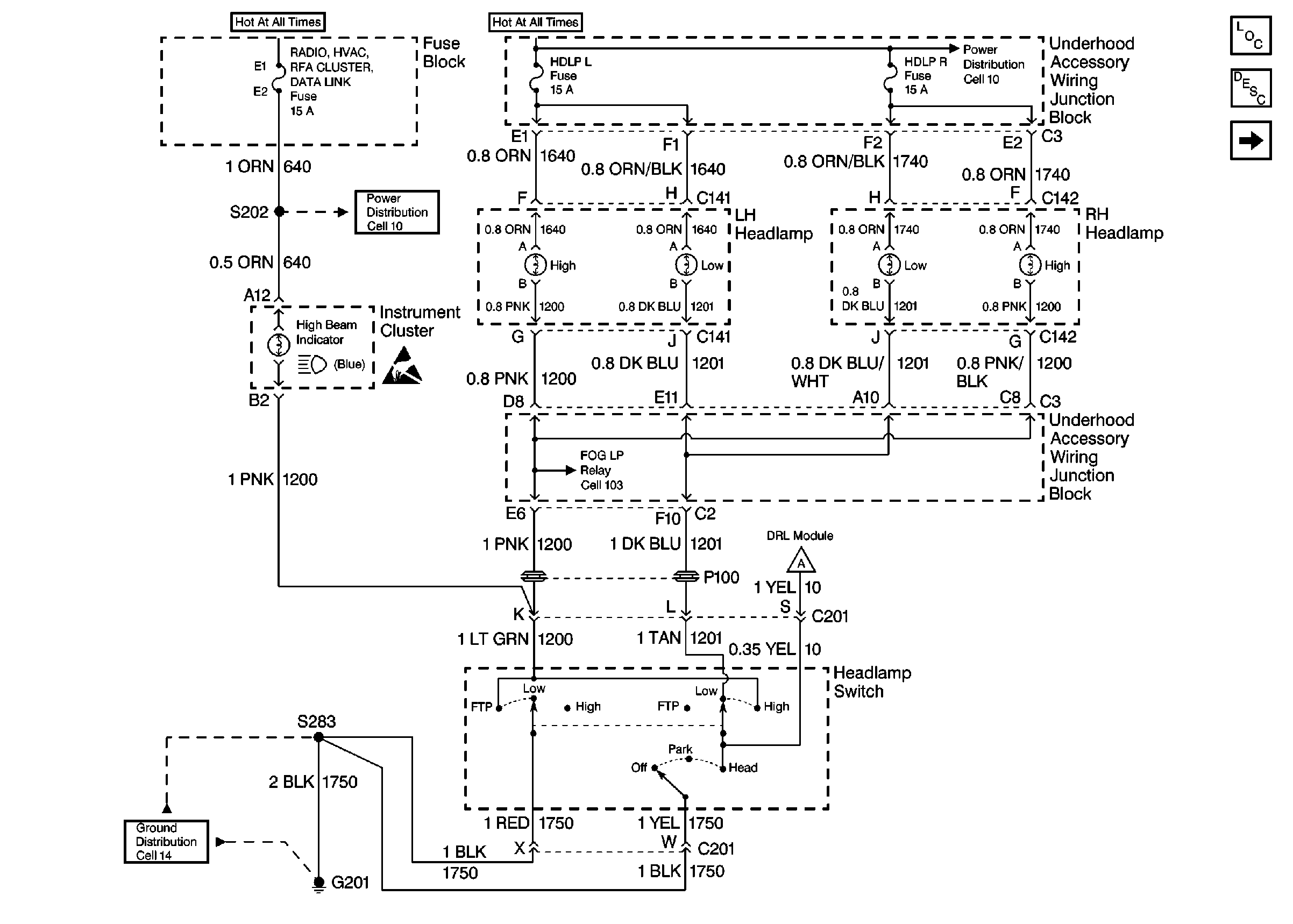
🢒 Cell 100: Power, Headlamps, Headlamp Switch, Instrument Cluster
Cell 100: Power, Headlamps, Headlamp Switch, Instrument Cluster
Cell 100: Power, Headlamps, Headlamp Switch, Instrument Cluster
Cell 10: Battery, Generator, EBTCM, and Underhood Accessory Wiring Junction Block
Cell 14: LH IP Ground G201
Lighting Systems Components
Headlights Circuit Description
Cell 100: Power, DRL Control Module, BCM, Park Brake Indicator Switch
Handling ESD Sensitive Parts Notice
Cell 100: Power, DRL Control Module, BCM, Park Brake Indicator Switch
Cell 103: Power, Instrument Cluster, Headlamp Switch, Headlamps
Cell 10: HDLP L, HDLP R, and LP PARK Fuses