GM Service Manual Online
For 1990-2009 cars only
Makes
🢒
Oldsmobile
🢒
2000
🢒
Intrigue
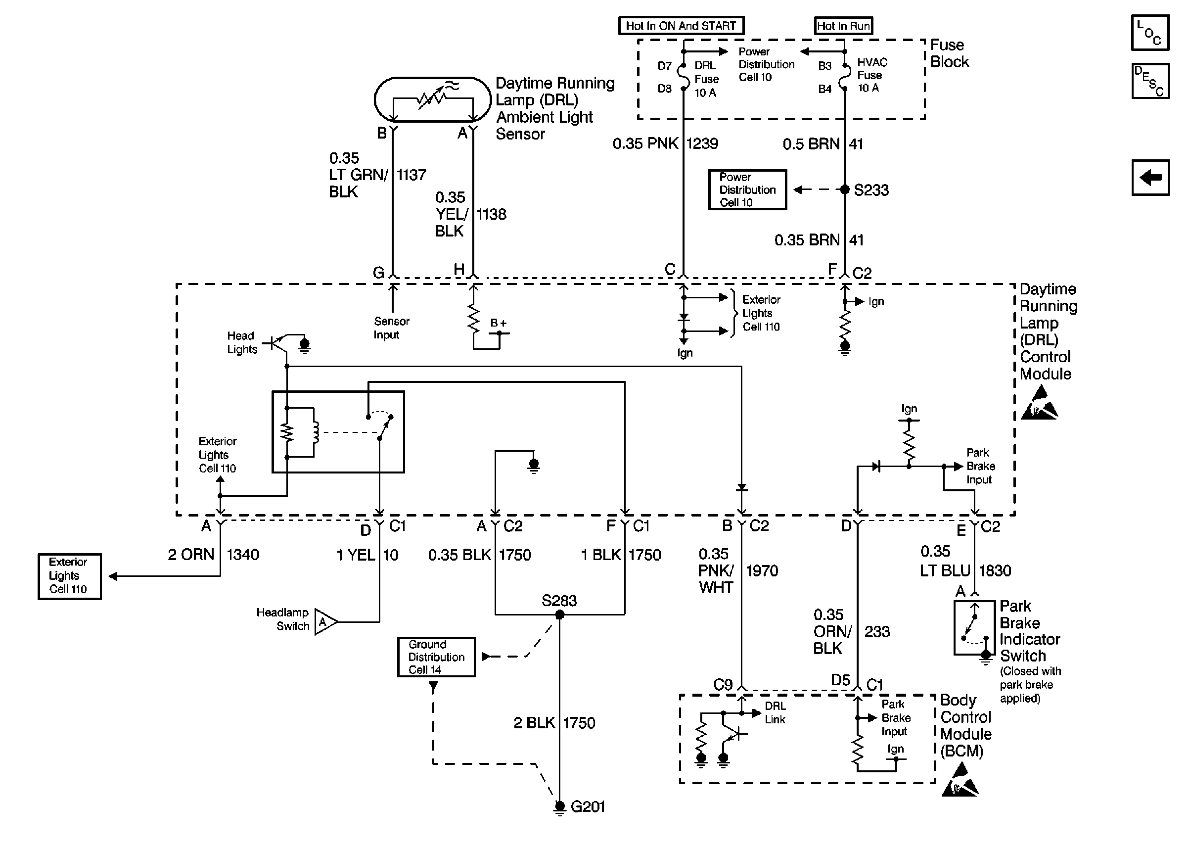
🢒 Cell 100: Power, DRL Control Module, BCM, Park Brake Indicator Switch
Cell 100: Power, DRL Control Module, BCM, Park Brake Indicator Switch
Cell 100: Power, DRL Control Module, BCM, Park Brake Indicator Switch
Lighting Systems Components
Headlights Circuit Description
Cell 100: Power, Headlamps, Headlamp Switch, Instrument Cluster
Handling ESD Sensitive Parts Notice
Handling ESD Sensitive Parts Notice
Cell 14: LH IP Ground G201
Cell 100: Power, Headlamps, Headlamp Switch, Instrument Cluster
Cell 110: Power, DRL Control Module, BCM, Headlamp Switch, Park Brake Indicator Switch
Cell 10: AIR BAG, CLUSTER, DRL, PCM BCM U/H RELAY, and TURN SIGNALSCORN LPS Fuses
Cell 10: AIR BAG, CLUSTER, DRL, PCM BCM U/H RELAY, and TURN SIGNALSCORN LPS Fuses