GM Service Manual Online
For 1990-2009 cars only
Makes
🢒
Oldsmobile
🢒
2000
🢒
Intrigue
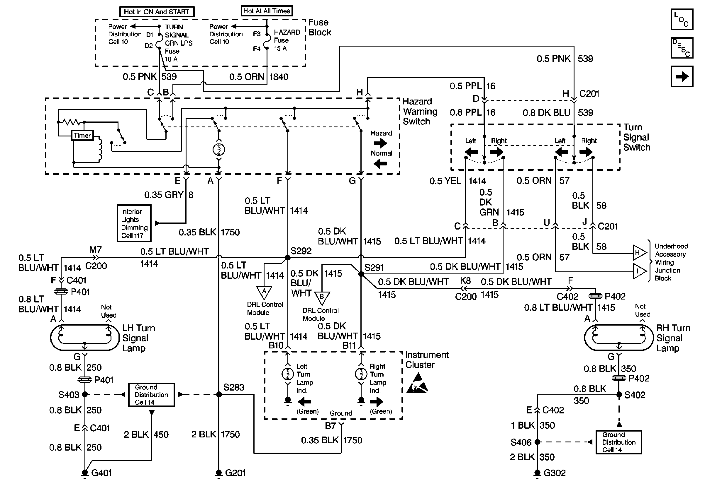
🢒 Cell 110: Power, Hazard Warning Switch, Turn Signal Switch, Turn Signal Lamps, Instrument Cluster
Cell 110: Power, Hazard Warning Switch, Turn Signal Switch, Turn Signal Lamps, Instrument Cluster
Cell 110: Power, Hazard Warning Switch, Turn Signal Switch, Turn Signal Lamps, Instrument Cluster
Lighting Systems Components
Exterior Lights Circuit Description
Cell 110: Power, Headlamp Switch, DRL Control Module, BCM
Cell 110: Side Marker Lamps, Cornering Lamps, Park/Turn Lamps
Cell 110: Side Marker Lamps, Cornering Lamps, Park/Turn Lamps
Cell 14: RH Body Harness Ground G302
Handling ESD Sensitive Parts Notice
Cell 110: Power, Headlamp Switch, DRL Control Module, BCM
Cell 110: Power, Headlamp Switch, DRL Control Module, BCM
Cell 14: LH Rear Compartment Ground G401
Cell 117: Power, Instrument Cluster, Headlamp Switch, Steering Wheel Control Switch,
Cell 10: AIR BAG, CLUSTER, DRL, PCM BCM U/H RELAY, and TURN SIGNALSCORN LPS Fuses
Cell 10: DOOR LOCKS, HAZARD, HIGH BLOWER, POWER MIRRORS, and STOP LAMPS Fuses