GM Service Manual Online
For 1990-2009 cars only
Makes
🢒
Oldsmobile
🢒
2000
🢒
Intrigue
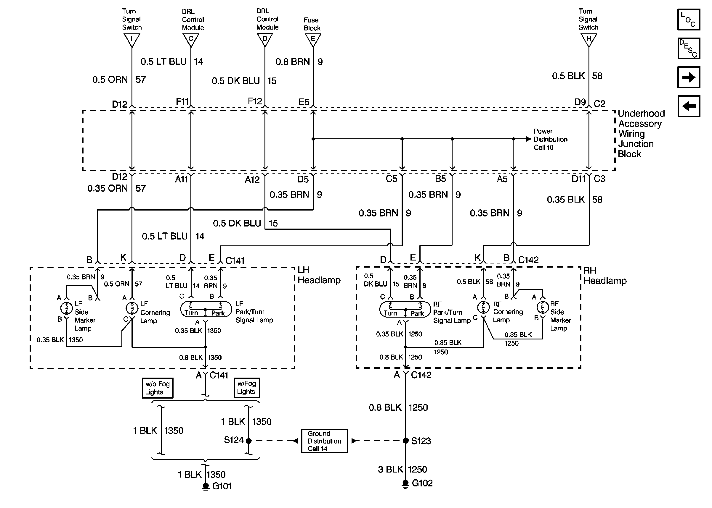
🢒 Cell 110: Side Marker Lamps, Cornering Lamps, Park/Turn Lamps
Cell 110: Side Marker Lamps, Cornering Lamps, Park/Turn Lamps
Cell 110: Side Marker Lamps, Cornering Lamps, Park/Turn Lamps
Lighting Systems Components
Exterior Lights Circuit Description
Cell 110: Rear Side Marker, Tail, License Plate Lamps
Cell 110: Power, DRL Control Module, BCM, Headlamp Switch, Park Brake Indicator Switch
Power Distribution Schematics
Cell 110: Power, Hazard Warning Switch, Turn Signal Switch, Turn Signal Lamps, Instrument Cluster
Cell 110: Power, Headlamp Switch, DRL Control Module, BCM
Cell 110: Power, Headlamp Switch, DRL Control Module, BCM
Cell 110: Power, DRL Control Module, BCM, Headlamp Switch, Park Brake Indicator Switch
Cell 110: Power, Hazard Warning Switch, Turn Signal Switch, Turn Signal Lamps, Instrument Cluster
Cell 110: Power, Hazard Warning Switch, Turn Signal Switch, Turn Signal Lamps, Instrument Cluster