GM Service Manual Online
For 1990-2009 cars only
Makes
🢒
Oldsmobile
🢒
2000
🢒
Intrigue
🢒 Steering Wheel Controls, Window and Door Lock Switches
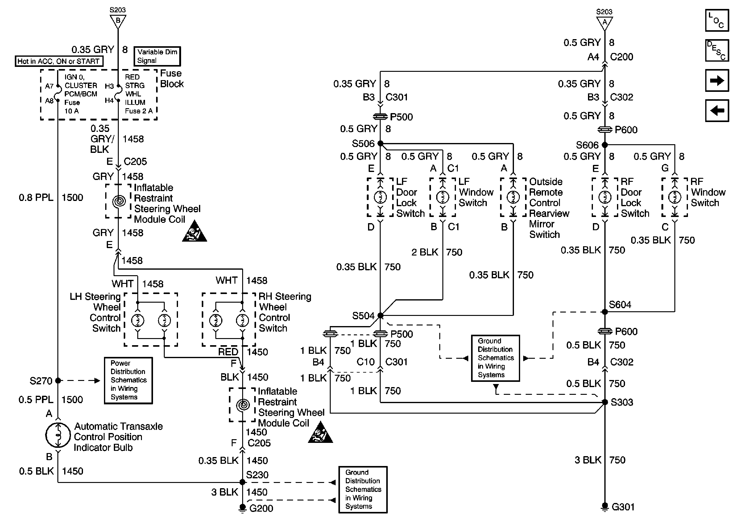
Steering Wheel Controls, Window and Door Lock Switches
Steering Wheel Controls, Window and Door Lock Switchs
Fused Distribution, Switches, and Instrument Cluster
SIR Caution
Fuse Block: Heated Mirrors, Crank Signal/BCM/Cluster and IGN 0/Cluster/PCM/BCMFuses
SIR Caution
Ground G200
Ground G301 2 of 3
Fused Distribution, Switches, and Instrument Cluster
Lighting Systems Components
Interior Lights Dimming Circuit Description
I/P Lamp Dimmer Switch, Radio, Instrument Cluster and Heater- A/C Control
Fused Distribution, Switches, and Instrument Cluster