GM Service Manual Online
For 1990-2009 cars only
Makes
🢒
Oldsmobile
🢒
2000
🢒
Intrigue
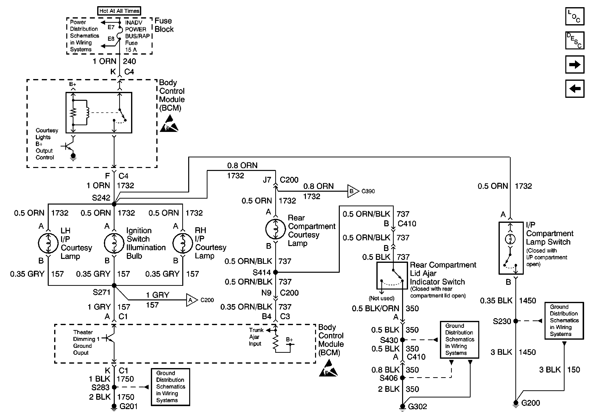
🢒 BCM, I/P Compartment Lamp Switch Lamp, Rear Compartment and I/P Courtesy Lamps
BCM, I/P Compartment Lamp Switch Lamp, Rear Compartment and I/P Courtesy Lamps
BCM, I/P Comparment Lamp Switch Lamp, Rear Compartment and I/P Courtesy Lamps
INADV POWER BUS/RAP and BCM Fuses
Handling ESD Sensitive Parts Notice
Sunshade Mirror Lamps, Rear View Mirror Lamp and Roof Rail Courtesy/Reading Lamp
Ground G201
Sunshade Mirror Lamps, Rear View Mirror Lamp and Roof Rail Courtesy/Reading Lamp
Handling ESD Sensitive Parts Notice
Ground G302 2 of 2
Ground G200
Lighting Systems Components
Interior Lights Circuit Description
Sunshade Mirror Lamps, Rear View Mirror Lamp and Roof Rail Courtesy/Reading Lamp
Interior Lights Schematic 2 of 4