GM Service Manual Online
For 1990-2009 cars only
Makes
🢒
Oldsmobile
🢒
2000
🢒
Intrigue
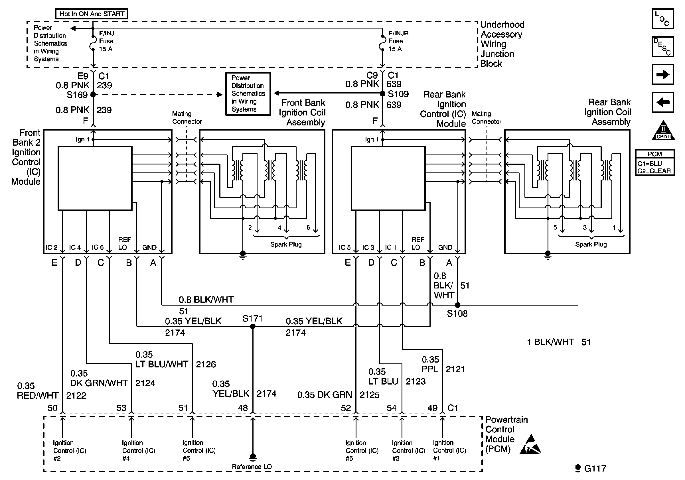
🢒 Front and Rear Ignition Control Modules
Front and Rear Ignition Control Modules
Front and Rear Ignition Control Modules
Fuel Injector Fuses
Fuel Injector Fuses
Fuel Injector Fuses
Fuel Injector Fuses
Handling ESD Sensitive Parts Notice
Engine Controls Component Views
Powertrain Control Module Description
Crankshaft and Camshaft Position Sensor
PCM Power and Grounds
OBD II Symbol Description Notice