GM Service Manual Online
For 1990-2009 cars only
Makes
🢒
Oldsmobile
🢒
2000
🢒
Intrigue
🢒 Inputs
Inputs
Inputs
Handling ESD Sensitive Parts Notice
Ground G301 1 of 3
Handling ESD Sensitive Parts Notice
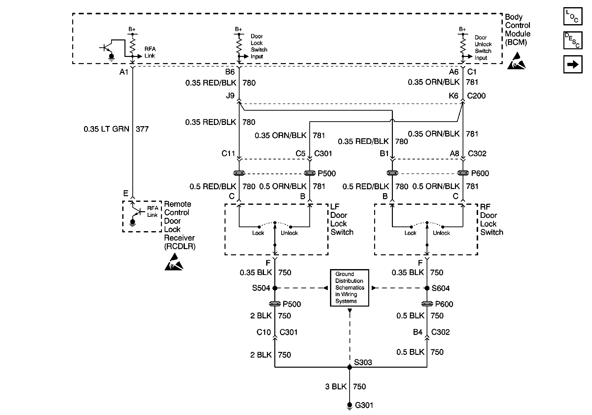
Power Door Systems Components
Power Door Locks Circuit Description
Outputs, Power/Ground Feeds