GM Service Manual Online
For 1990-2009 cars only
Makes
🢒
Oldsmobile
🢒
2000
🢒
Intrigue
🢒 Outputs, Power/Ground Feeds
Outputs, Power/Ground Feeds
Outputs, Power/Ground Feeds
Ground G201
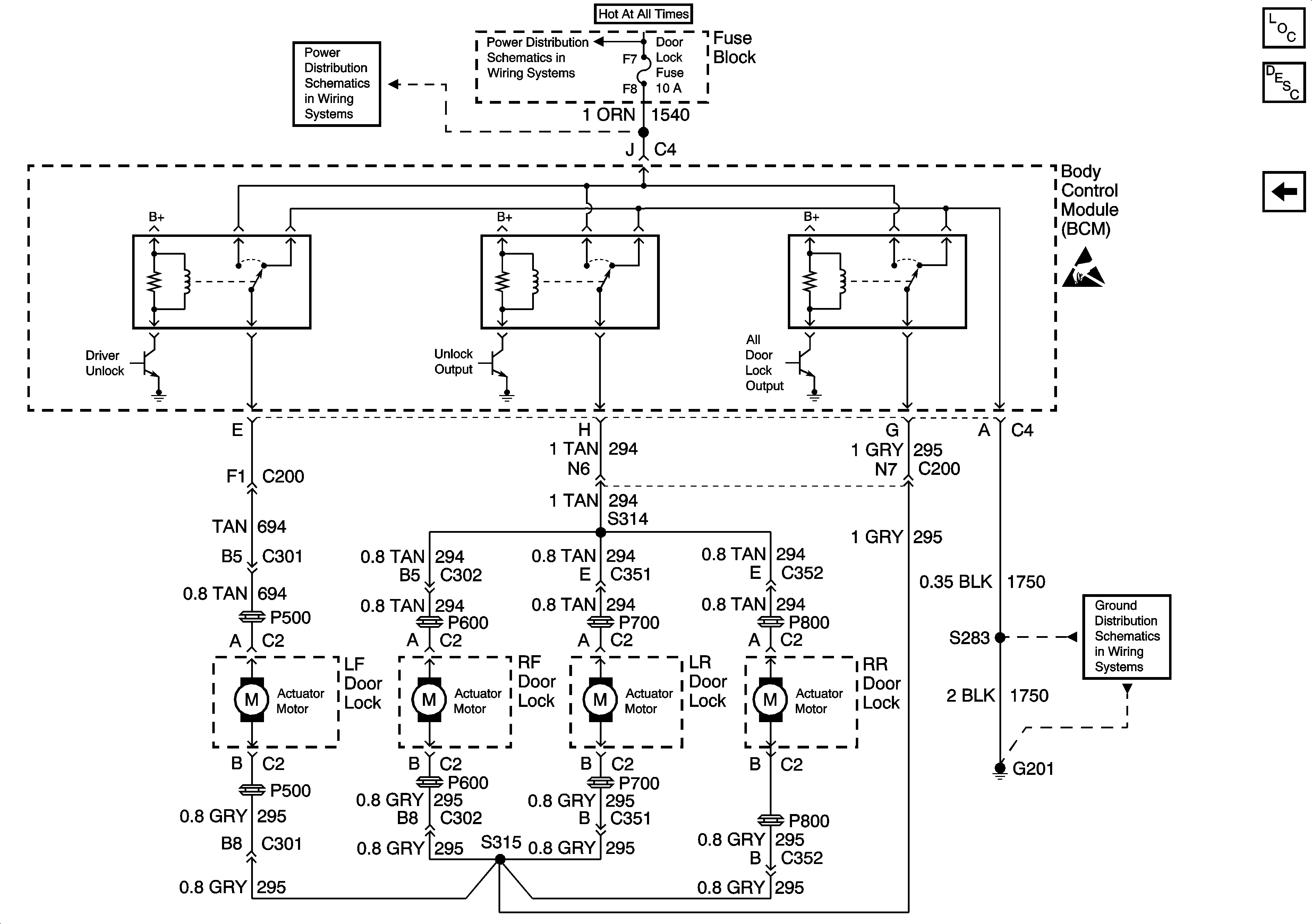
Power Door Systems Components
Power Door Locks Circuit Description
Inputs
Battery, MaxiFuses, Fusible Links and Crank Relay
Battery, MaxiFuses, Fusible Links and Crank Relay