GM Service Manual Online
For 1990-2009 cars only

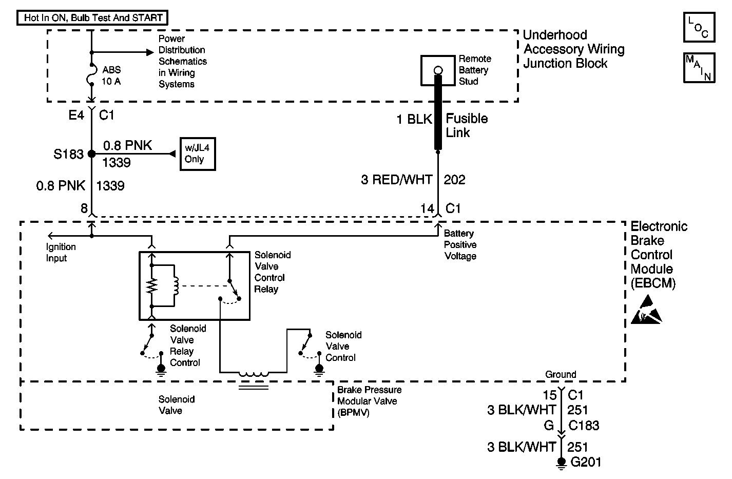
Object Number: 594688  Size: MF
ABS Components
Power/Ground Distribution, Stop Lamp Switch Input, and Variable EfforT Steering Control

Circuit Description

The inlet valve solenoid circuits are supplied with battery power when the ignition is in the ON position. The EBCM controls the valve functions by grounding the circuit when necessary.

Conditions for Setting the DTC

The DTC will set when the EBCM detects one of the following internal to the EBCM only:

    • An open in the solenoid coil or circuit.
    • A short to ground in the solenoid coil or circuit.
    • A short to voltage in the solenoid coil or circuit.

Action Taken When the DTC Sets

    • A malfunction DTC is stored.
    • ABS/TCS is disabled.
    • The ABS/TCS indicators are turned on.

Conditions for Clearing the DTC

    • Condition for DTC is no longer present and scan tool clear DTC function is used.
    • 100 ignition cycles pass with no DTC(s) detected.

Diagnostic Aids

The solenoid valve circuit and the solenoid coil are internal to the EBCM. No part of the solenoid circuit is diagnosable external to the EBCM. The DTC sets when there is a malfunction in the solenoid circuit internal to the EBCM only.

Test Description

The numbers below refer to step numbers on the Diagnostic Table.

  1. This step determines if the DTC is current.

DTC C0070 RF ABS Solenoid #1 Circuit Malfunction

Step

Action

Value(s)

Yes

No

1

Was the Diagnostic System Check performed?

--

Go to Step 2

Go to Diagnostic System Check - ABS

2

  1. Using a scan tool clear the DTC.
  2. Remove the scan tool from the DLC.
  3. Carefully drive the vehicle above 12 km/h (8 mph) for several minutes.
  4. Turn the ignition switch to the OFF position.
  5. Install a scan tool.
  6. Turn the ignition switch to the ON position, engine off.
  7. Using the scan tool in Diagnostic Trouble Codes, check for DTCs.

Does DTC C0070 reset as a current DTC?

--

Go to Step 3

Go to Diagnostic System Check - ABS

3

Replace the EBCM. Refer to Electronic Brake and Traction Control Module Replacement .

Is the repair complete?

--

Go to Diagnostic System Check - ABS

--