GM Service Manual Online
For 1990-2009 cars only
Makes
🢒
Oldsmobile
🢒
2001
🢒
Intrigue
🢒 Power, and Control Signals
Power, and Control Signals
Power, and Control Signals
Master Electrical Component List original
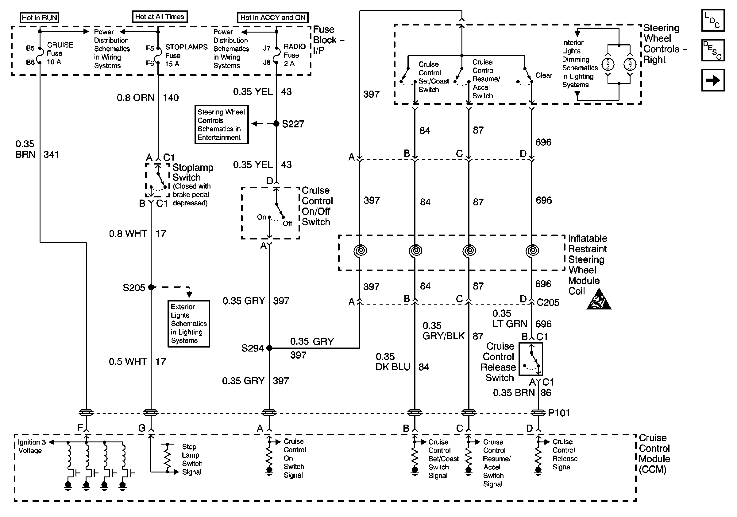
Cruise Control Description and Operation
PCM Serial Data
Steering Wheel Controls, Window and Door Lock Switches
IGN 1, PWR Windows/PWR Sunroof, Radio/Cruise, Power Drop and Wiper Fuses
HIGH BLOWER, HAZARD, STOP LAMPS, DOOR LOCKS, POWER MIRRORS Fuses
Steering Wheel Controls
Center High Mounted Stop Lamp