GM Service Manual Online
For 1990-2009 cars only
Makes
🢒
Oldsmobile
🢒
2001
🢒
Intrigue
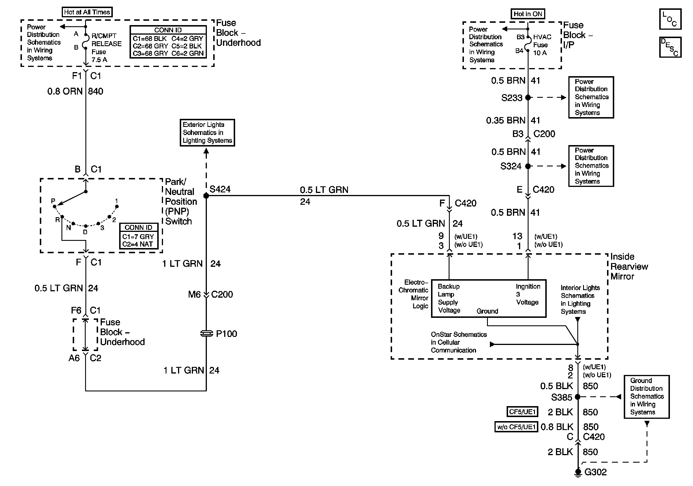
🢒 01 W-Car Olds: Automatic Day-Night Mirrors Schematics (Power and Grounds)
01 W-Car Olds: Automatic Day-Night Mirrors Schematics (Power and Grounds)
Master Electrical Component List original
Automatic Day-Night Mirror Description and Operation
Low Blower, Cruise and HVAC Fuses
Battery, MaxiFuses, Fusible Link, CRANK, FOG, A/C CLU, R/CMPT, R/PMP, HORN, and IGN Main Relays
Backup Lamps
Low Blower, Cruise and HVAC Fuses
Driver Seat Power, Ground and Controls
Sunshade Mirror Lamps, Inside Rear View Mirror Lamps and Roof Rail Courtesy/Reading Lamps
Ground G302 (1 of 2)