GM Service Manual Online
For 1990-2009 cars only
Makes
🢒
Oldsmobile
🢒
2001
🢒
Intrigue
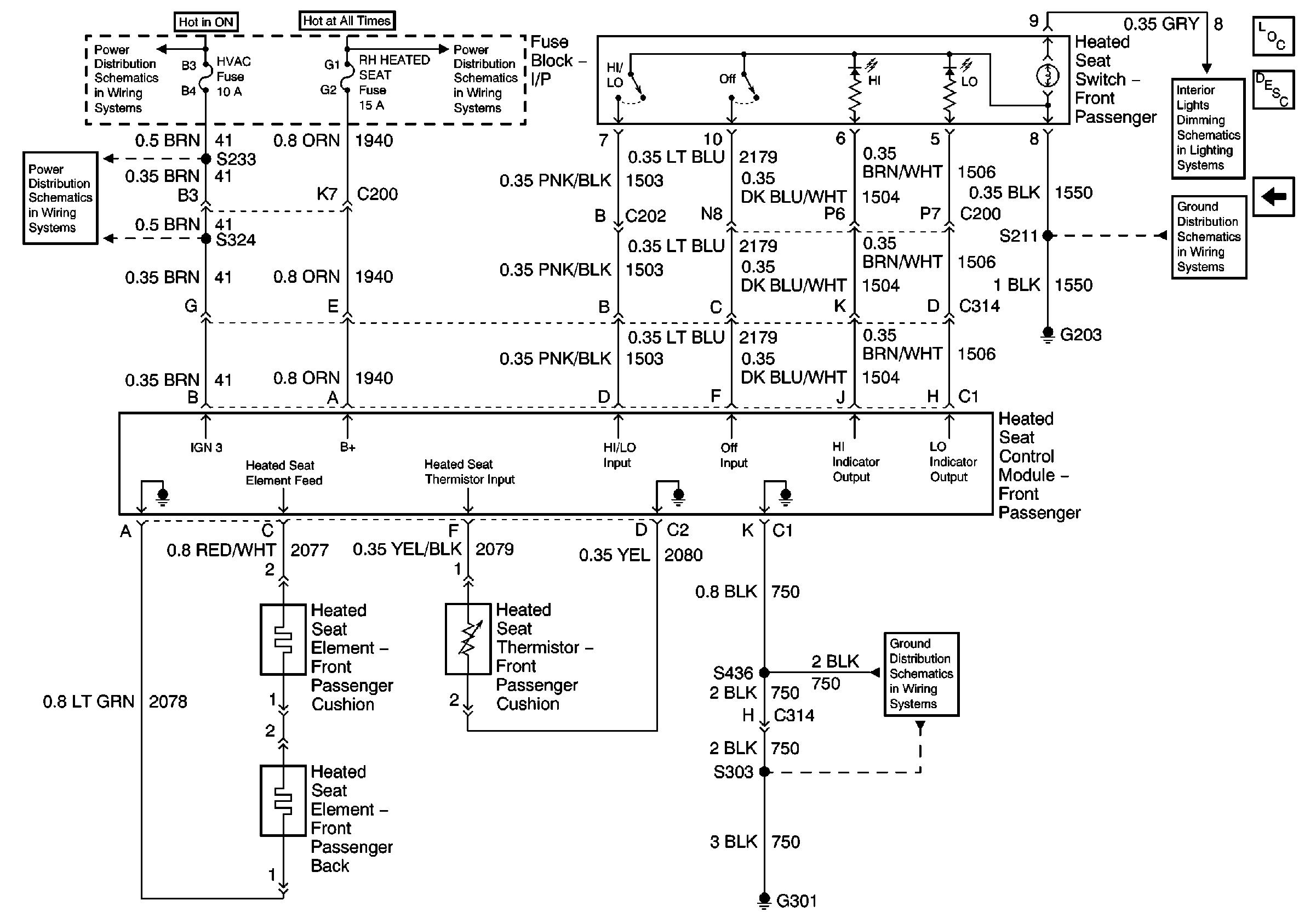
🢒 Passenger Seat Power, Ground and Controls
Passenger Seat Power, Ground and Controls
Passenger Seat Power, Ground and Controls
Master Electrical Component List original
Heated Seats Description and Operation
Driver Seat Power, Ground and Controls
Fused Distribution and Grounds
Ground G203
ONSTAR, LH HEATED SEAT, RH HEATED SEAT, POWER SEATS, REAR DEFOG Fuses and Rear Window Defogger Relay
Low Blower, Cruise and HVAC Fuses
Low Blower, Cruise and HVAC Fuses
Ground G301 (2 of 3)