GM Service Manual Online
For 1990-2009 cars only
Makes
🢒
Oldsmobile
🢒
2001
🢒
Intrigue
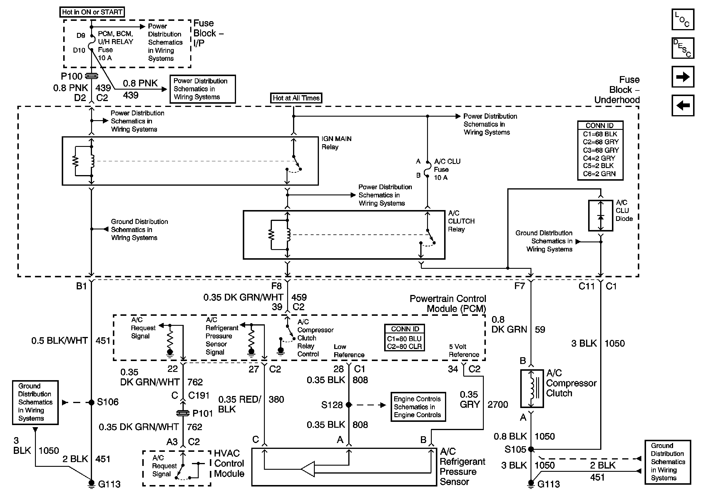
🢒 Compressor Controls
Compressor Controls
Compressor Controls
Master Electrical Component List original
Air Temperature Description and Operation
Low Blower, Cruise and HVAC Fuses
Low Blower, Cruise and HVAC Fuses
BTSI, Turn Signals/CORN LPS, Air Bag, Cluster, PCM/BCM/Crank/IGN Fuses
Grounds G113, G117, G119
COOL Fan 1, COOL Fan 2, Cool Fan 3, A/C CLU, IGN Main, and AIR Pump Relays
A/C, TP, MAP, ECT and IAT Sensors
Grounds G113, G117, G119
Ground G113