GM Service Manual Online
For 1990-2009 cars only
Makes
🢒
Oldsmobile
🢒
2001
🢒
Intrigue
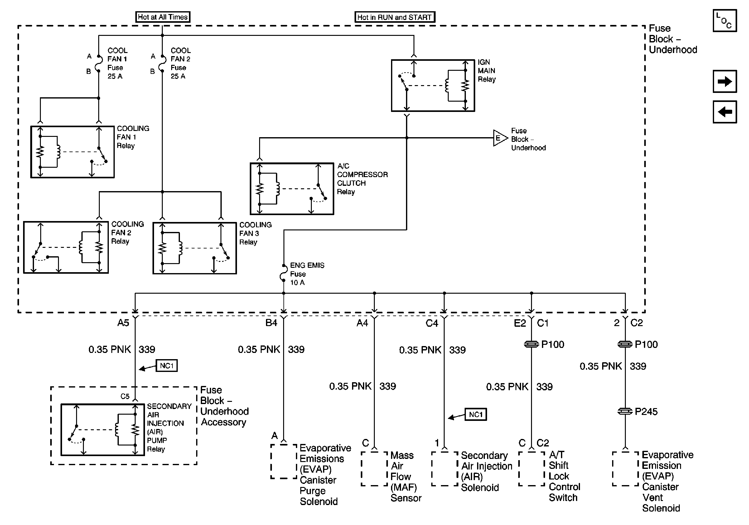
🢒 COOL Fan 1, COOL Fan 2, Cool Fan 3, A/C CLU, IGN Main, and AIR Pump Relays
COOL Fan 1, COOL Fan 2, Cool Fan 3, A/C CLU, IGN Main, and AIR Pump Relays
COOL Fan 1, COOL Fan 2, Cool Fan 3, A/C CLU, IGN Main, and AIR Pump Relays
Master Electrical Component List original
TRANS, ABS, and OXY SEN Fuses
LH and RH Steering Wheel Controls, LF and RF Window Switches, LF and RF Door Lock Switches and Outside Remote Control Mirror Switch Dimming Circuits