GM Service Manual Online
For 1990-2009 cars only
Makes
🢒
Oldsmobile
🢒
2001
🢒
Intrigue
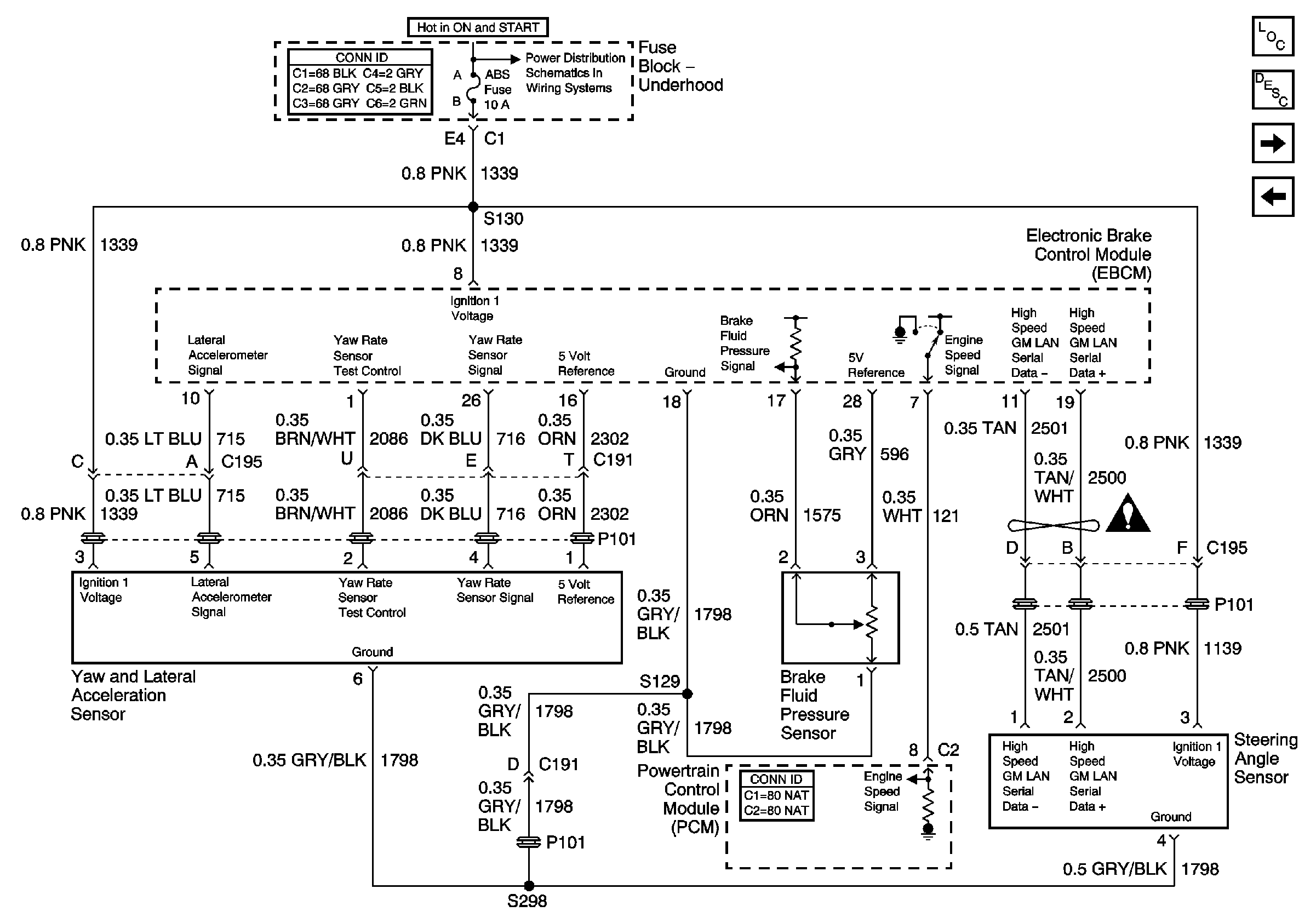
🢒 Yaw and Lateral, Brake Pressure, and Steering Angle Sensors
Yaw and Lateral, Brake Pressure, and Steering Angle Sensors
Yaw and Lateral, Brake Pressure, and Steering Angle Sensors
Master Electrical Component List original
ABS Description and Operation
Wheel Speed Sensors
ABS Indicator, Torque Signals, and Traction Control Switch
TRANS, ABS, and OXY SEN Fuses
Antilock Brake System Schematic Icons