GM Service Manual Online
For 1990-2009 cars only
Makes
🢒
Oldsmobile
🢒
2001
🢒
Intrigue
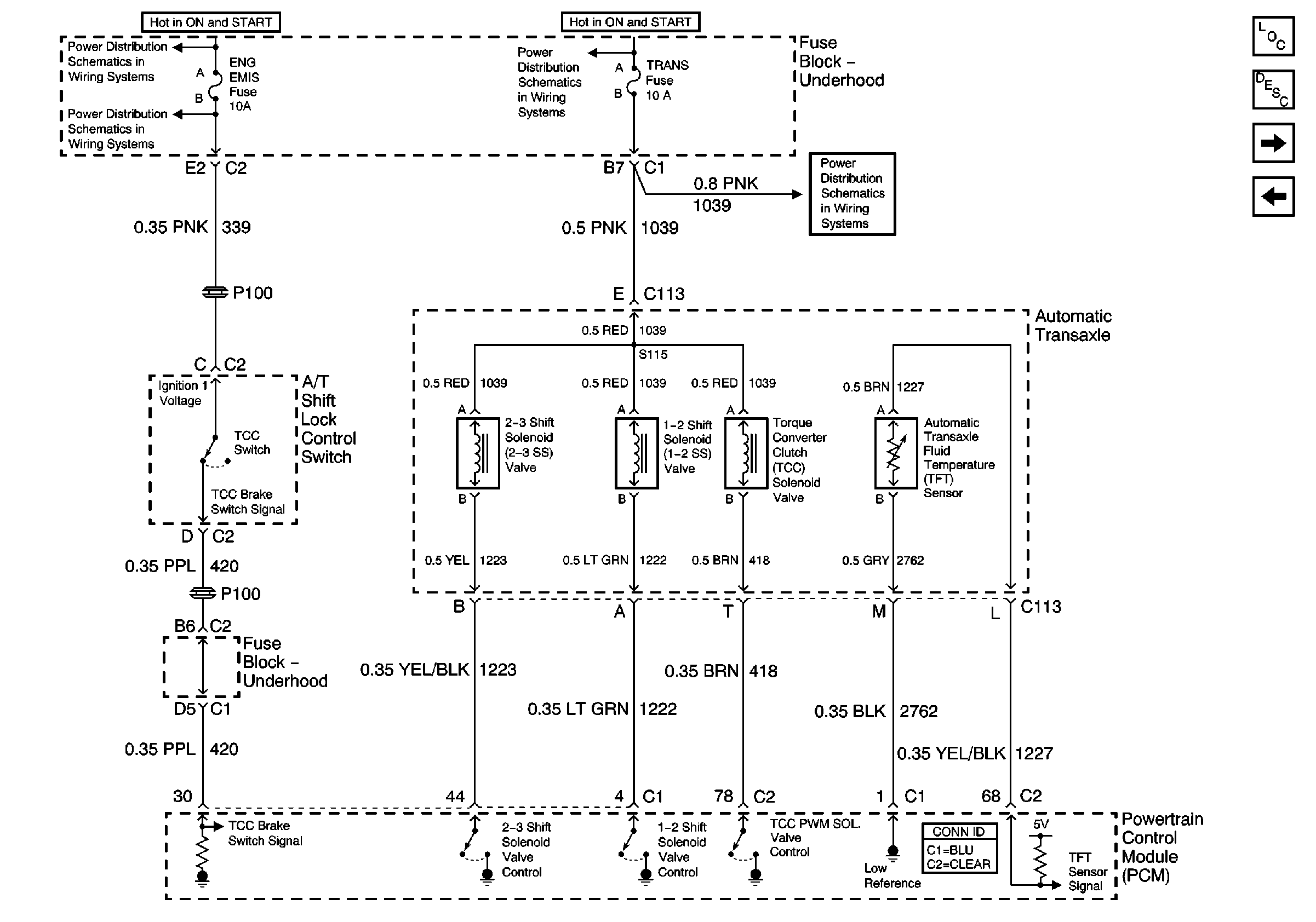
🢒 01 W-Car Olds: Engine Controls (Automatic Tramsaxle Outputs)
01 W-Car Olds: Engine Controls (Automatic Tramsaxle Outputs)
Automatic Transaxle Inputs (2 of 2)
Master Electrical Component List original
Powertrain Control Module Description
Fuel Injectors
01 W-Car Olds: Engine Controls (Automatic Transaxle Inputs)
F/INJR Fuses
COOL Fan 1, COOL Fan 2, Cool Fan 3, A/C CLU, IGN Main, and AIR Pump Relays