GM Service Manual Online
For 1990-2009 cars only
Makes
🢒
Oldsmobile
🢒
2001
🢒
Intrigue
🢒 AIR Bypass Valve Solenoid, AIR Pump and MAF Sen
AIR Bypass Valve Solenoid, AIR Pump and MAF Sen
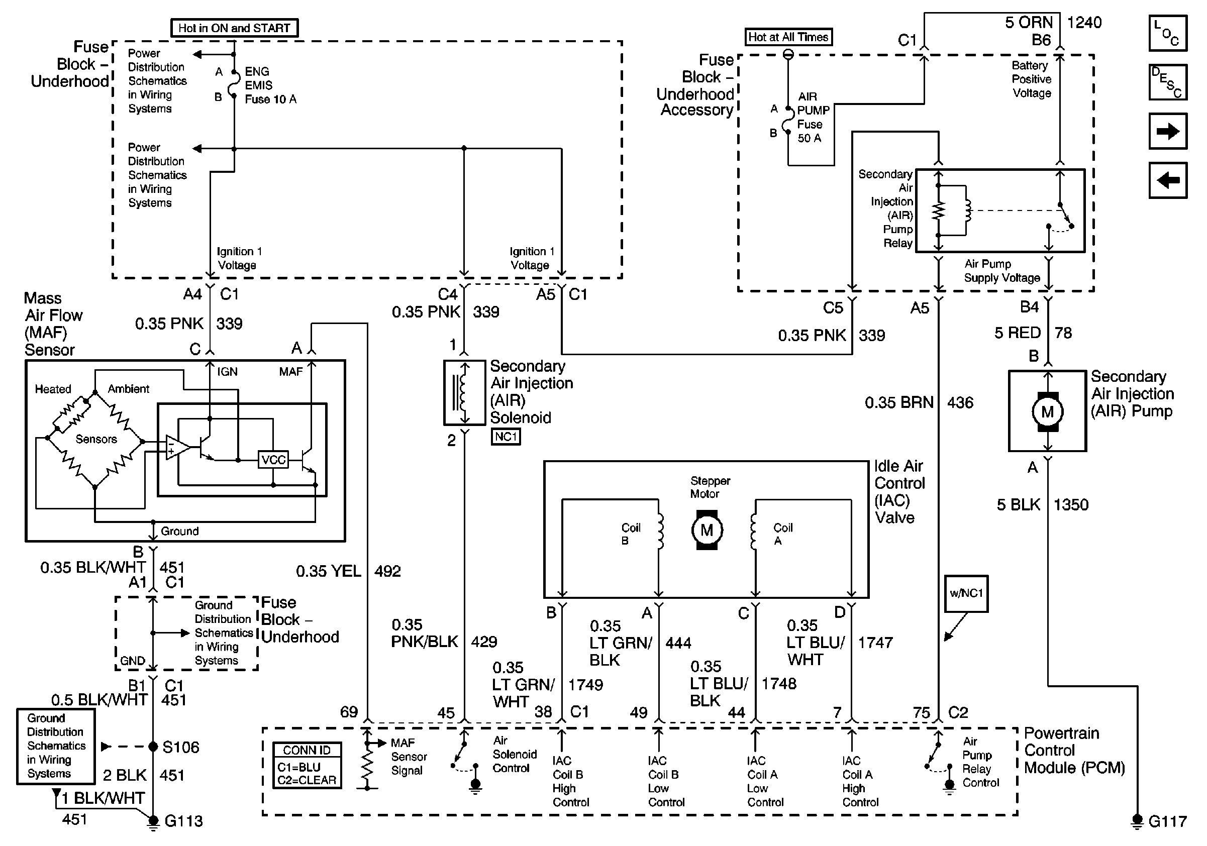
Secondary AIR Bypass Valve Solenoid, AIR Pump, IAC Valve and MAF Sensor
Master Electrical Component List original
Secondary Air Injection System Description
01 W-Car Olds: Engine Controls (VSS, EBCM and Cruise Control Modules)
Heated O2 Sensors
COOL Fan 1, COOL Fan 2, Cool Fan 3, A/C CLU, IGN Main, and AIR Pump Relays
COOL Fan 1, COOL Fan 2, Cool Fan 3, A/C CLU, IGN Main, and AIR Pump Relays
Ground G113
Ground G113