GM Service Manual Online
For 1990-2009 cars only
Makes
🢒
Oldsmobile
🢒
2001
🢒
Intrigue
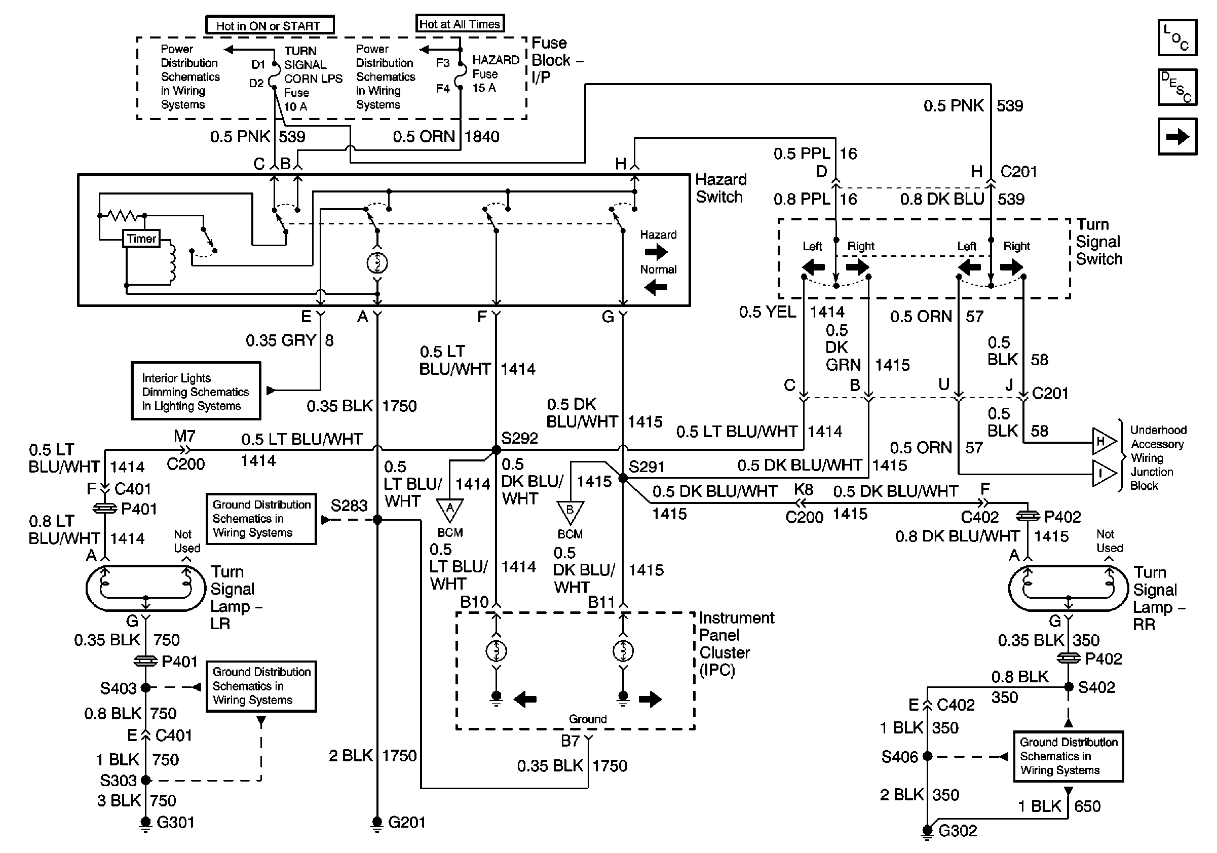
🢒 Front Turn Signal Lamps, Turn Signal Switch, Turn Signal Indicators and Hazard Warning Switch
Front Turn Signal Lamps, Turn Signal Switch, Turn Signal Indicators and Hazard Warning Switch
Front Turn Signal Lamps, Turn Signal Switch, Turn Signal Indicators and Hazard Warning Switch
Master Electrical Component List original
Exterior Lighting Systems Description and Operation
Turn Signals
HIGH BLOWER, HAZARD, STOP LAMPS, DOOR LOCKS, POWER MIRRORS Fuses
BTSI, Turn Signals/CORN LPS, Air Bag, Cluster, PCM/BCM/Crank/IGN Fuses
Fused Distribution and Grounds
Ground G301 (1 of 3)
Ground G302 (2 of 2)
Ground G301 (1 of 3)