GM Service Manual Online
For 1990-2009 cars only
Makes
🢒
Oldsmobile
🢒
2001
🢒
Intrigue
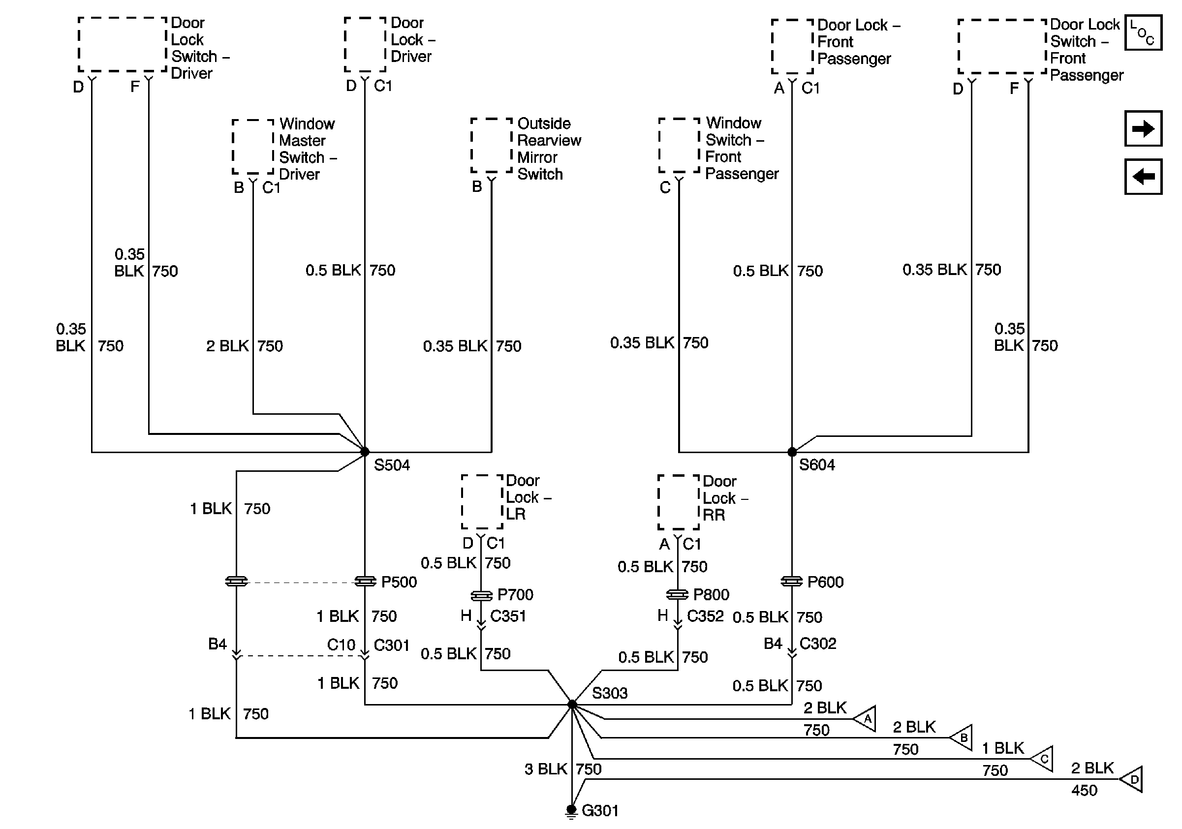
🢒 Ground G301 (1 of 3)
Ground G301 (1 of 3)
Ground G301 (1 of 3)
Master Electrical Component List original
Ground G301 (2 of 3)
Ground G203