GM Service Manual Online
For 1990-2009 cars only
Makes
🢒
Oldsmobile
🢒
2001
🢒
Intrigue
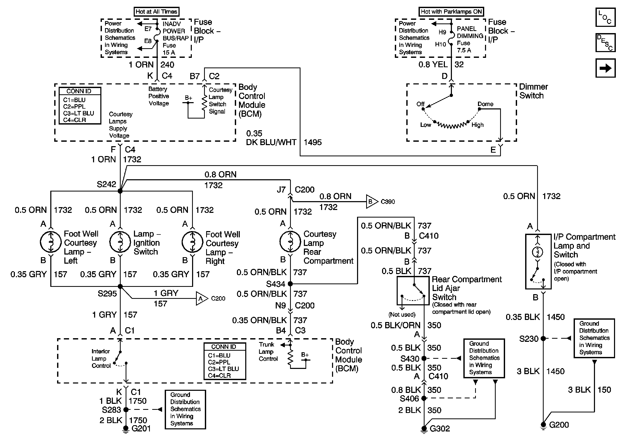
🢒 Rear Compartment Lid Ajar Indicator Switch, Ignition Switch Illumination Lamps, I/P Compartment Lamp Switch, I/P and Rear Compartment Courtesy Lamps
Rear Compartment Lid Ajar Indicator Switch, Ignition Switch Illumination Lamps, I/P Compartment Lamp Switch, I/P and Rear Compartment Courtesy Lamps
Rear Compartment Lid Ajar Indicator Switch, Ignition Switch Illumination Lamps, I/P Compartment Lamp Switch, I/P and Rear Compartment Courtesy Lamps
Master Electrical Component List original
Interior Lighting Systems Description and Operation
Sunshade Mirror Lamps, Inside Rear View Mirror Lamps and Roof Rail Courtesy/Reading Lamps
INADV POWER BUS/RAP, BCM, RADIO/HVAC/RFA/CLUSTER/DATA LINK, CIGAR LTR/AUXPOWER/POWER DROP Fuses and RAP Relay
Ground G201
Ground G302 (2 of 2)
Ground G200