GM Service Manual Online
For 1990-2009 cars only
Makes
🢒
Oldsmobile
🢒
2001
🢒
Intrigue
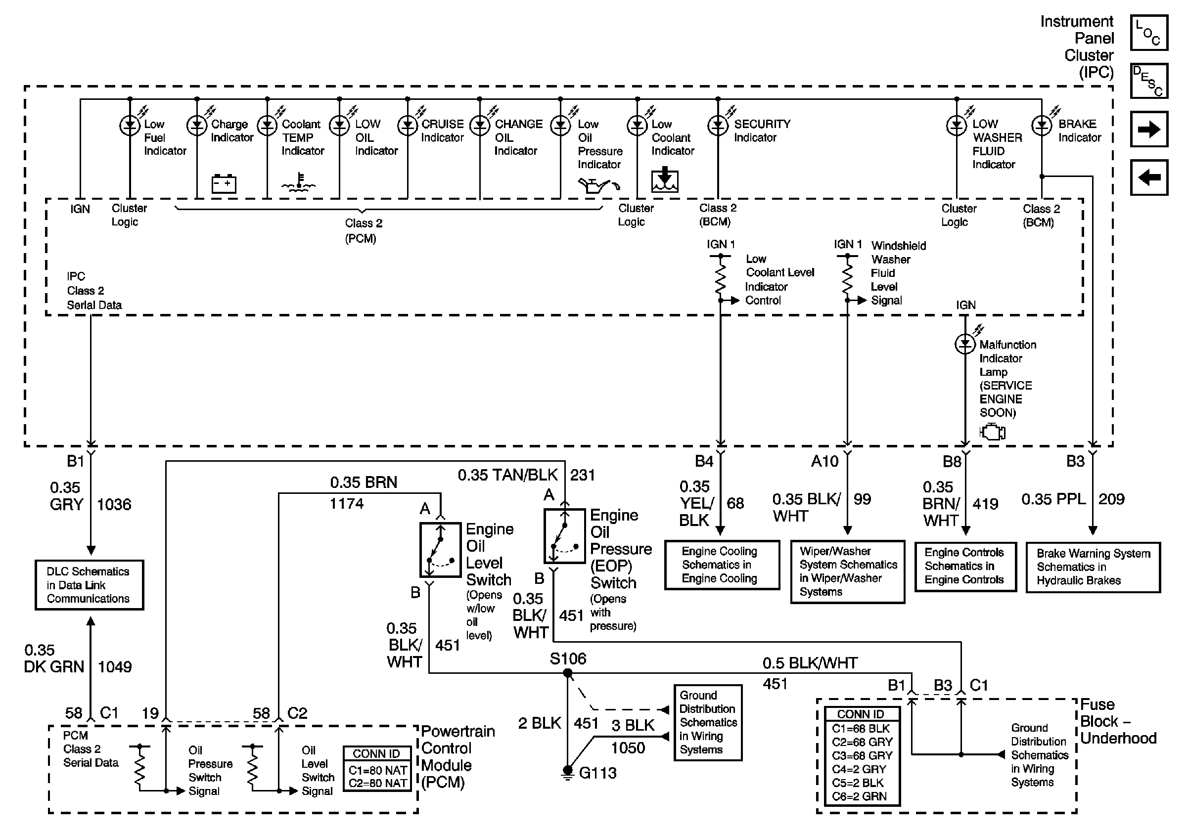
🢒 Indicators, DLC, Engine Oil Level and Engine Oil Pressure Switches
Indicators, DLC, Engine Oil Level and Engine Oil Pressure Switches
Indicators, DLC, Engine Oil Level and Engine Oil Pressure Switches
Master Electrical Component List original
Indicator/Warning Message Description and Operation
Illumination Lamps, and Indicators,
Gages, Fuel Level Sensor and DLC
01 W-Car Olds: Data LInk Communications (Data LInk Connector)
01 W-Car Olds: Engine Cooling Schematics (Cooling Fan)
01 W-Car Olds: Wiper Washer System (Power, Grounds, Switch and Motor)
01 W-Car Olds: Engine Controls (Powers, Grounds and DLC)
01 W-Car Olds: Hydraulic Brakes (Brake Warning Schematics)