GM Service Manual Online
For 1990-2009 cars only
Makes
🢒
Oldsmobile
🢒
2002
🢒
Intrigue
🢒
Body and Accessories
🢒
Lighting Systems
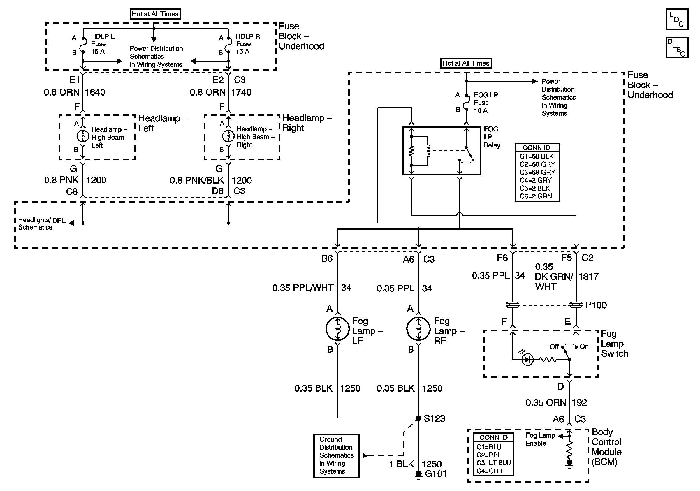
🢒 Fog Lights Schematics
Master Electrical Component List
Exterior Lighting Systems Description and Operation
R/CMPT RELEASE, ECM, GEN, HDLPL, and HDLPR Fuses
Fuse Block-Underhood Bussing (1 of 2)
HDLP-LH, HDLP-RH, Multifunction Turn Signal Lever
G100, G101, G110