GM Service Manual Online
For 1990-2009 cars only
Makes
🢒
Oldsmobile
🢒
2002
🢒
Intrigue
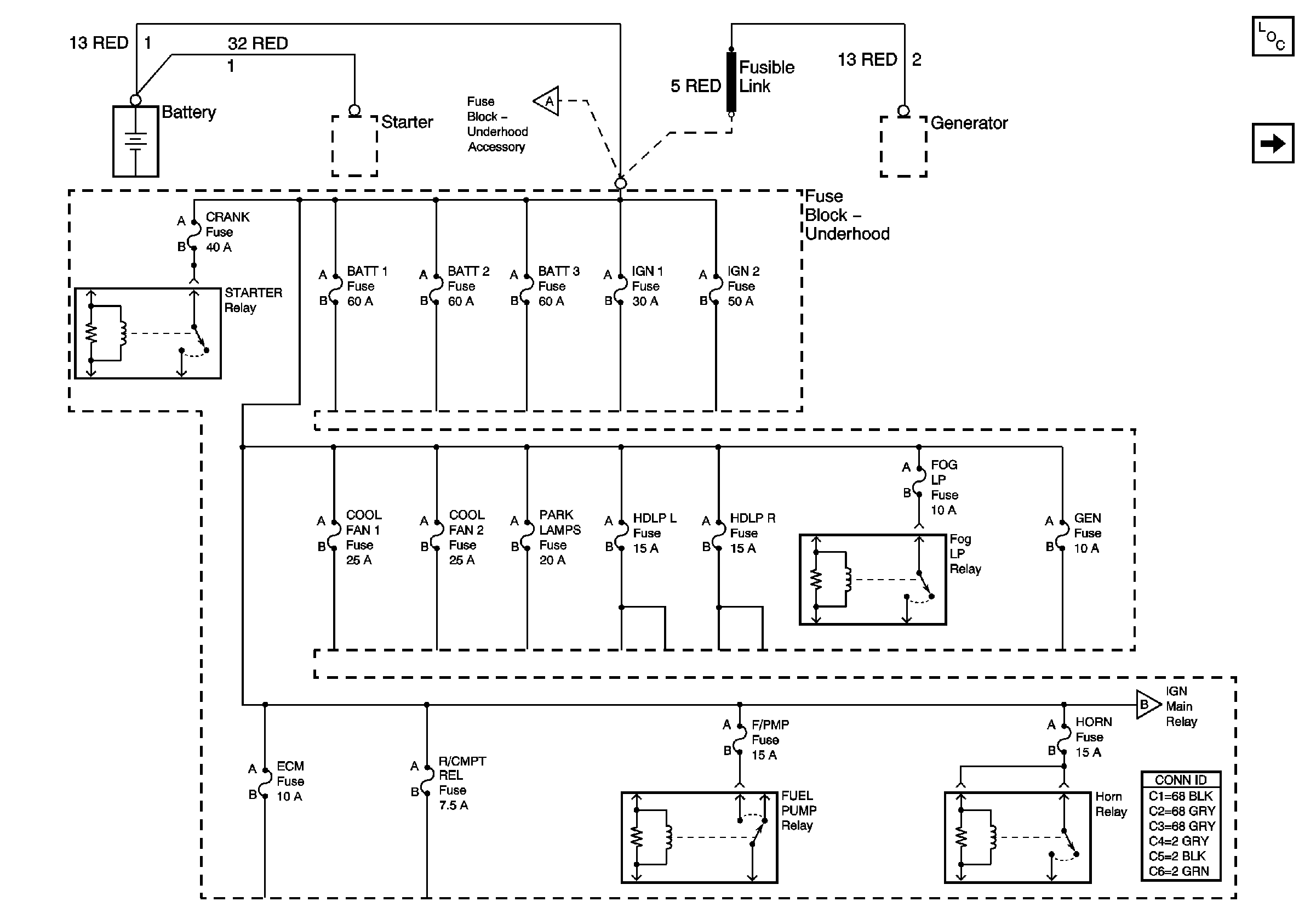
🢒 Fuse Block-Underhood Bussing (1 of 2)
Fuse Block-Underhood Bussing (1 of 2)
Fuse Block--Underhood Bussing - 1 of 2
Master Electrical Component List
Fuse Block-Underhood Bussing (2 of 2)
Fuse Block-Underhood Accessory
Fuse Block-Underhood Bussing (2 of 2)