GM Service Manual Online
For 1990-2009 cars only
Makes
🢒
Oldsmobile
🢒
2002
🢒
Intrigue
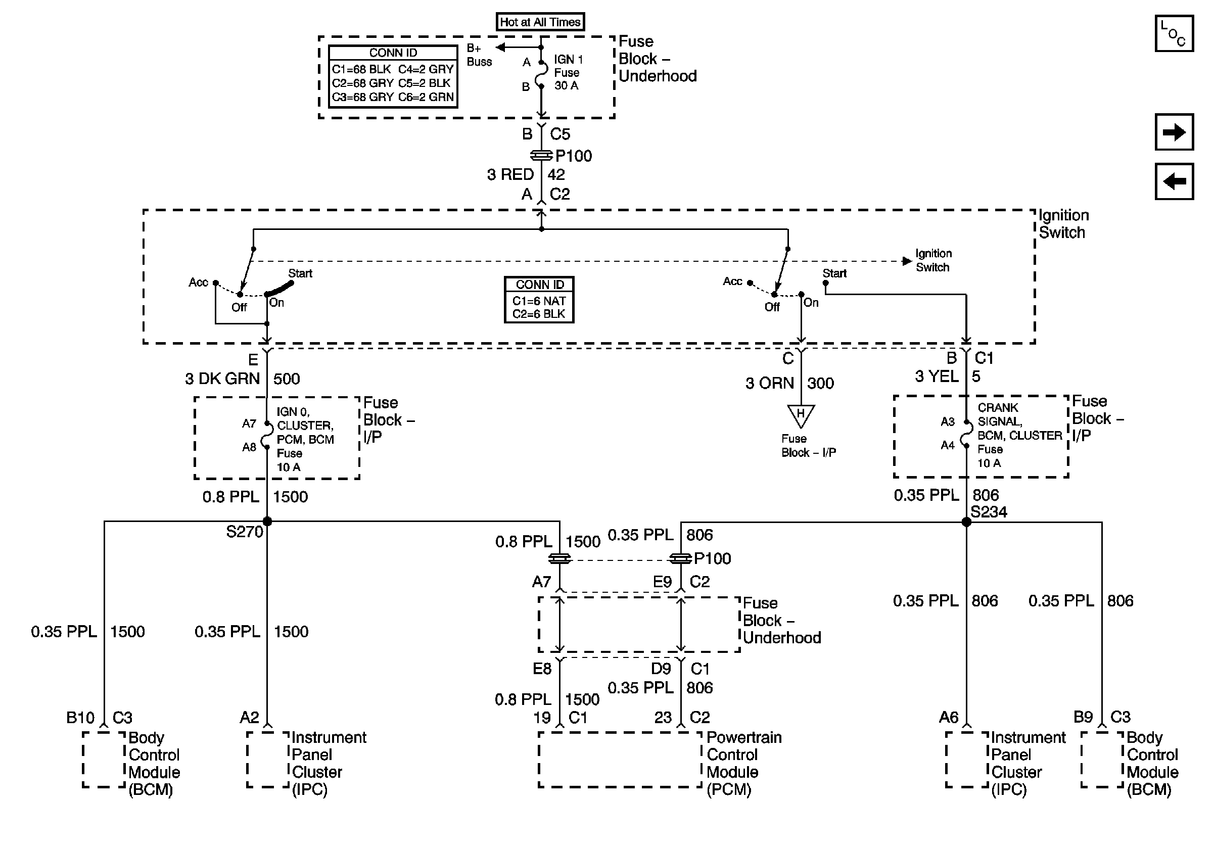
🢒 IGN 0 CLUSTER/PCM/BCM, and CRANK SIGNAL/BCM/CLUSTER Fuses
IGN 0 CLUSTER/PCM/BCM, and CRANK SIGNAL/BCM/CLUSTER Fuses
IGN 0 CLUSTER/PCM/BCM, and CRANK SIGNAL/BCM/CLUSTER Fuses
Master Electrical Component List
CRUISE SWITCH, LOW BLOWER, CRUISE, and HVAC Fuses
BTSI, TURN SIGNALS/CORN LPS, AIR BAG, CLUSTER, and PCM/BCM/U H RELAY Fuses
Fuse Block-Underhood Bussing (1 of 2)
CRUISE SWITCH, LOW BLOWER, CRUISE, and HVAC Fuses