GM Service Manual Online
For 1990-2009 cars only

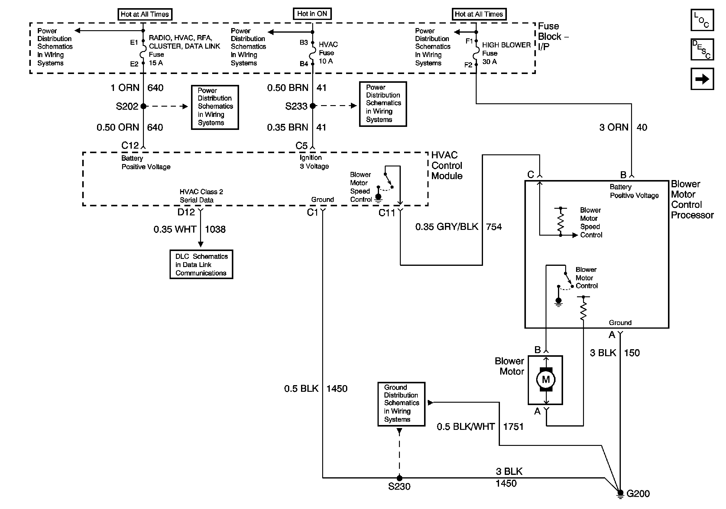
Power, Grounds, and Blower Controls

Power, Grounds, and Blower Controls


Object Number: 796758  Size: FS
Master Electrical Component List
Air Delivery Description and Operation
Compressor Controls
INADV POWER BUS/RAP, BCM, RADIO/HVAC/RFA CLUSTER/DATA LINK, RADIO AMP, and CIGAR LTR/AUX POWER/POWER DROP Fuses
CRUISE SWITCH, LOW BLOWER, CRUISE, and HVAC Fuses
Fuse Block-Underhood Bussing (1 of 2)
INADV POWER BUS/RAP, BCM, RADIO/HVAC/RFA CLUSTER/DATA LINK, RADIO AMP, and CIGAR LTR/AUX POWER/POWER DROP Fuses
CRUISE SWITCH, LOW BLOWER, CRUISE, and HVAC Fuses
DLC, and Splice Pack
G200