GM Service Manual Online
For 1990-2009 cars only
Makes
🢒
Oldsmobile
🢒
2002
🢒
Intrigue
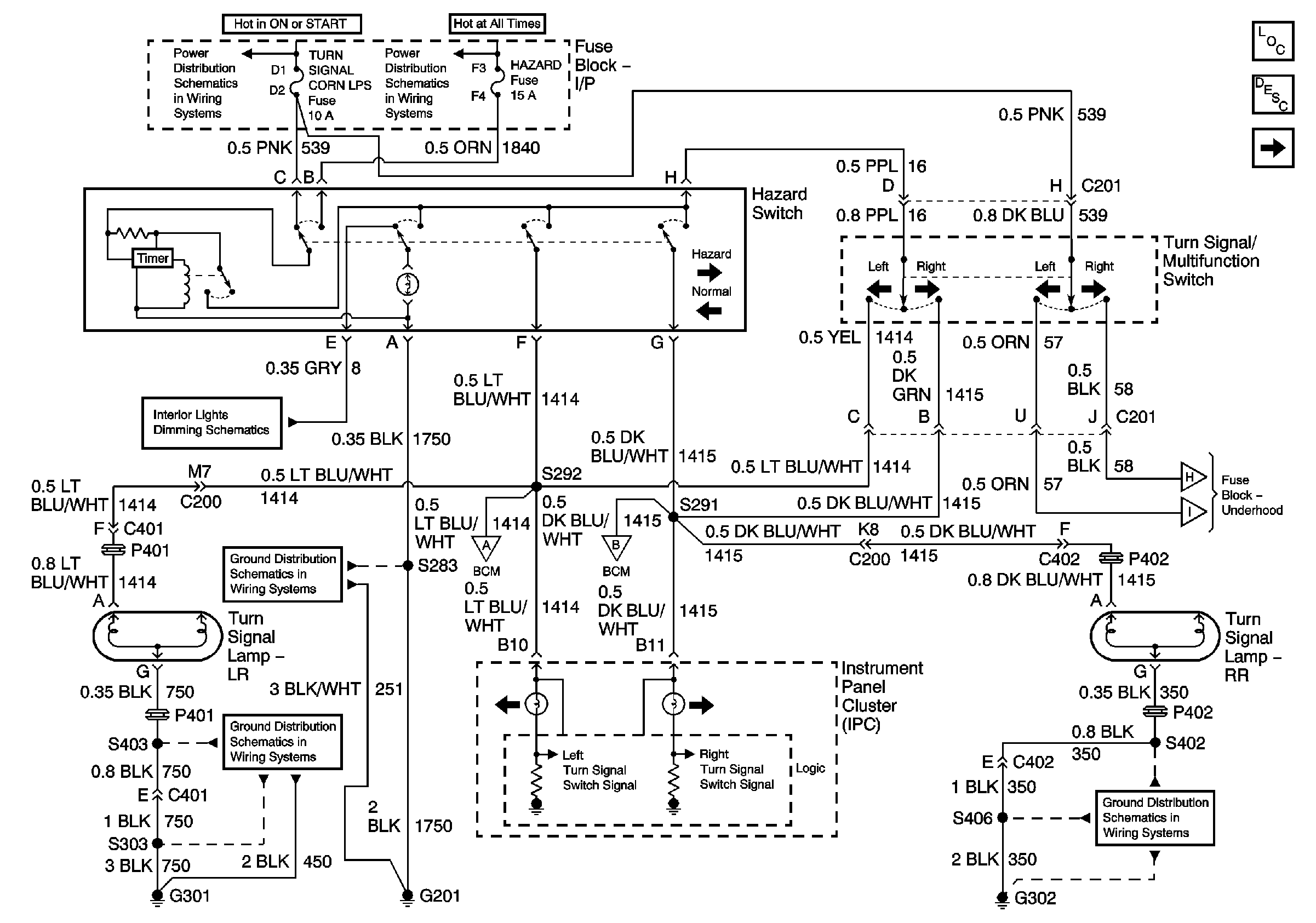
🢒 Turn Signal Lamps-Rear
Turn Signal Lamps-Rear
Turn Signal Lamps-Rear
Master Electrical Component List
Exterior Lighting Systems Description and Operation
Turn Signal Lamps-Front
BTSI, TURN SIGNALS/CORN LPS, AIR BAG, CLUSTER, and PCM/BCM/U H RELAY Fuses
HIGH BLOWER, HAZARD, STOP LAMPS, DOOR LOCKS, and POWER MIRRORS Fuses
Instrument Panel
G201
G301 (1 of 3)
Turn Signal Lamps-Front
Turn Signal Lamps-Front
Turn Signal Lamps-Front
G302