GM Service Manual Online
For 1990-2009 cars only
Makes
🢒
Oldsmobile
🢒
2002
🢒
Intrigue
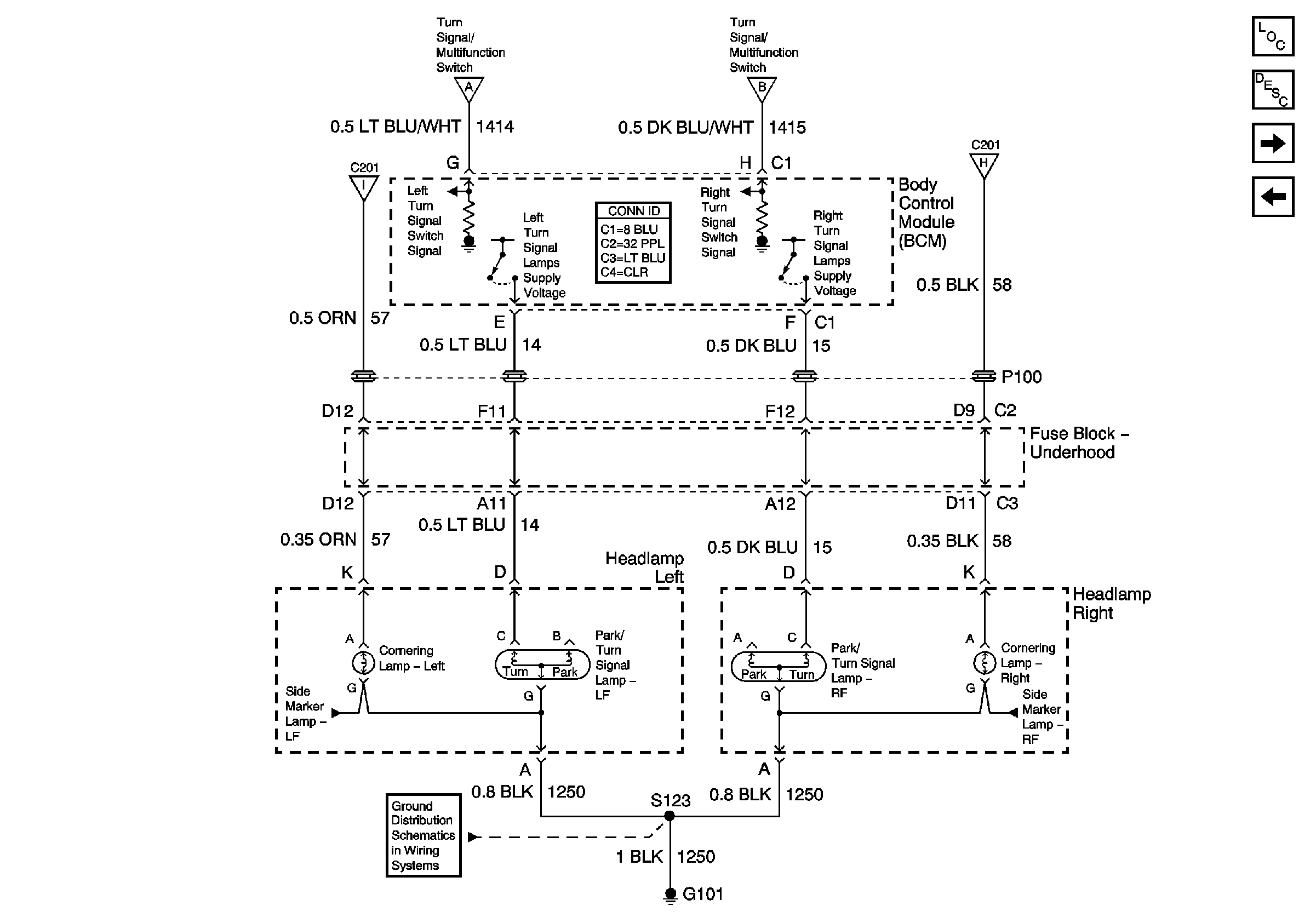
🢒 Turn Signal Lamps-Front
Turn Signal Lamps-Front
Turn Signal Lamps-Front
Master Electrical Component List
Exterior Lighting Systems Description and Operation
Park Lamps-Front
Turn Signal Lamps-Rear
Turn Signal Lamps-Rear
Turn Signal Lamps-Rear
Turn Signal Lamps-Rear
Turn Signal Lamps-Rear
G100, G101, G110