GM Service Manual Online
For 1990-2009 cars only
Makes
🢒
Oldsmobile
🢒
2002
🢒
Intrigue
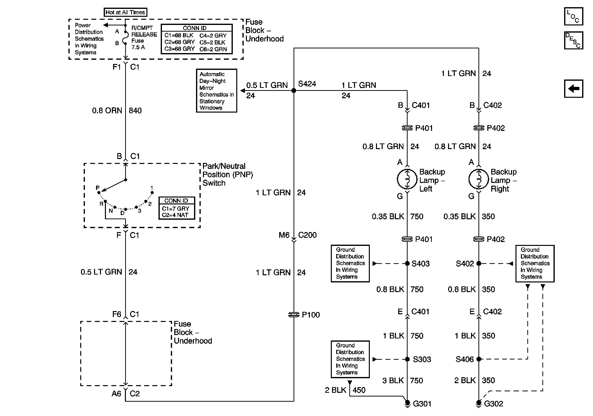
🢒 Backup Lamps
Backup Lamps
Backup Lamps
Master Electrical Component List
Exterior Lighting Systems Description and Operation
Stop Lamps
Fuse Block-Underhood Bussing (1 of 2)
Power, and Ground
G301 (3 OF 3)
G302
G301 (1 of 3)