GM Service Manual Online
For 1990-2009 cars only
Makes
🢒
Oldsmobile
🢒
2002
🢒
Intrigue
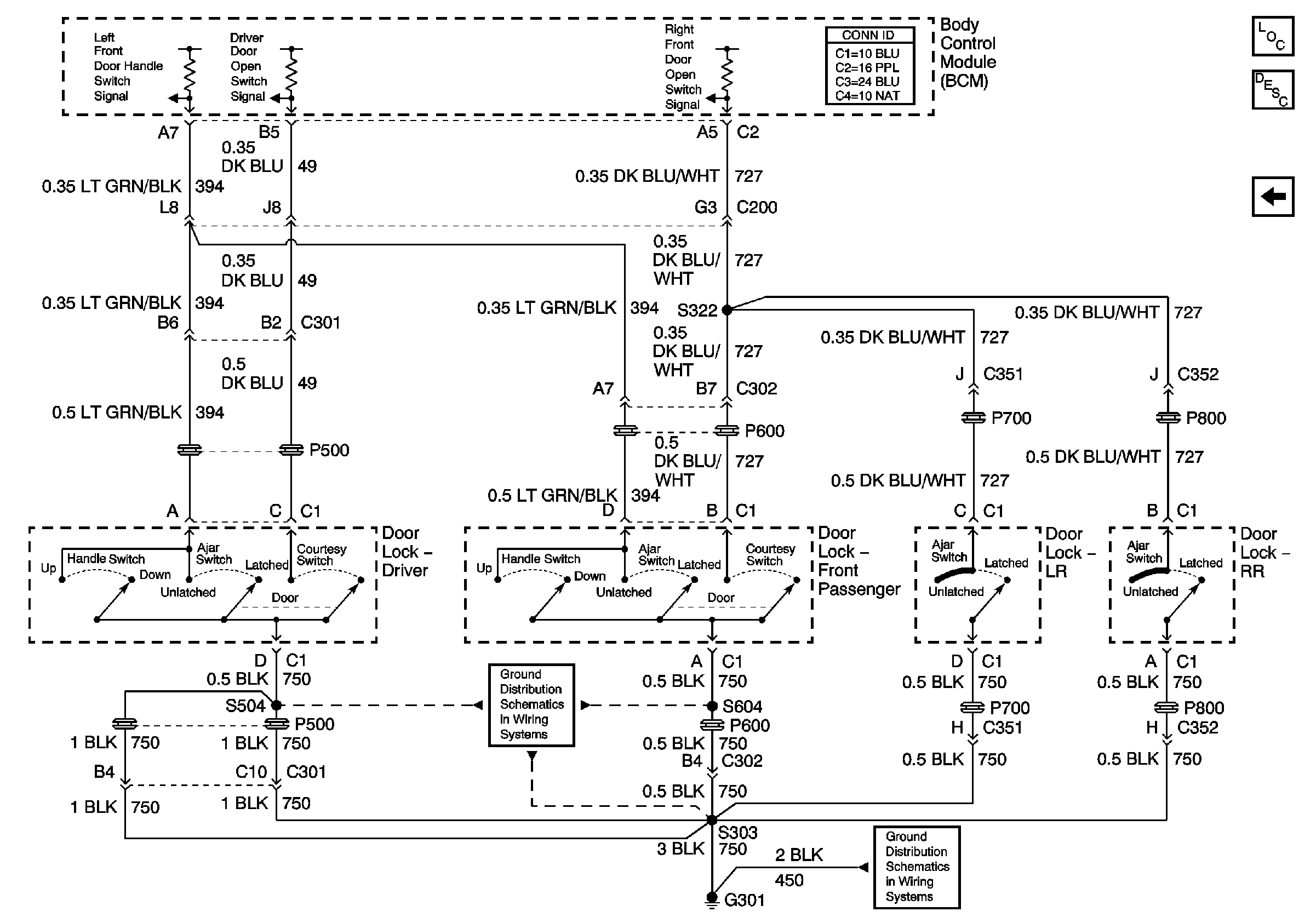
🢒 Door Open Switches
Door Open Switches
Door Open Switches
Master Electrical Component List
Interior Lighting Systems Description and Operation
Vanity Mirrors, and Roof Lighting
G301 (1 of 3)
G301 (1 of 3)