GM Service Manual Online
For 1990-2009 cars only
Makes
🢒
Oldsmobile
🢒
2002
🢒
Intrigue
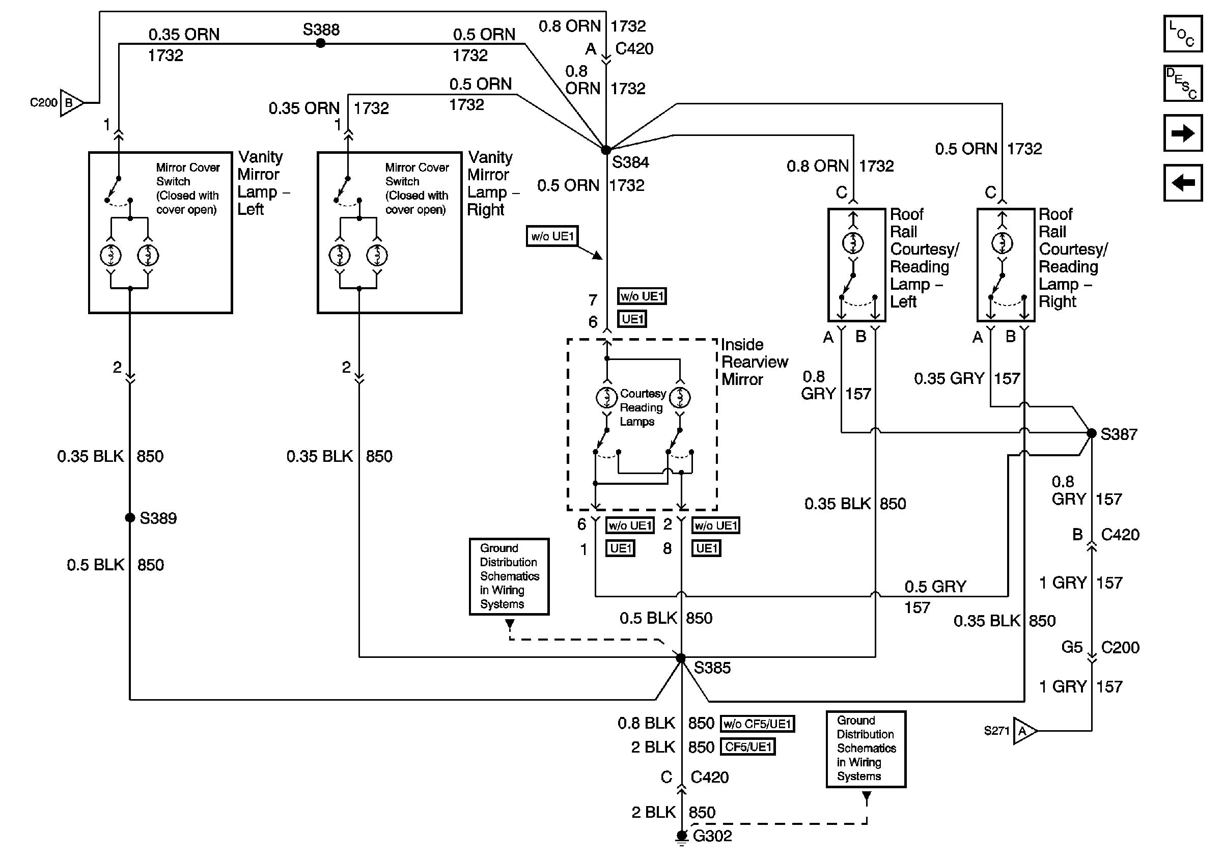
🢒 Vanity Mirrors, and Roof Lighting
Vanity Mirrors, and Roof Lighting
Vanity Mirrors, and Roof Lighting
Master Electrical Component List
Interior Lighting Systems Description and Operation
Door Open Switches
I/P, Rear Compartment and Courtesy Lamp Control
I/P, Rear Compartment and Courtesy Lamp Control
G302
G302
I/P, Rear Compartment and Courtesy Lamp Control