GM Service Manual Online
For 1990-2009 cars only
Makes
🢒
Oldsmobile
🢒
2002
🢒
Intrigue
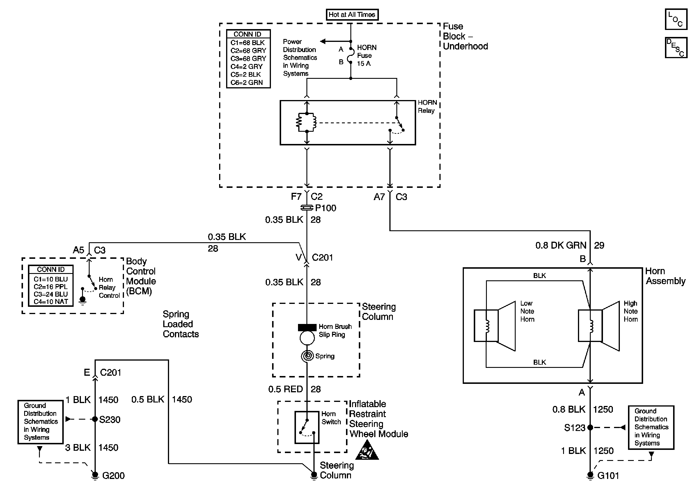
🢒 Power, Ground, Horn Assembly, and Switch
Power, Ground, Horn Assembly, and Switch
Master Electrical Component List
Horns System Description and Operation
Fuse Block-Underhood Bussing (1 of 2)
G200
Horn Schematic Icons
G100, G101, G110