When the ignition switch is first turned ON, the PCM energizes the fuel pump relay which applies battery positive voltage to the fuel pump control module. The fuel pump relay will remain ON as long as the engine is running or cranking and the PCM is receiving reference pulses. If no reference pulses are present, the PCM de-energizes the fuel pump relay within 2 seconds after the ignition is turned ON or the engine is stopped. The fuel pump delivers fuel to the fuel rail and injectors, then to the fuel pressure regulator. The fuel pressure regulator controls fuel pressure by allowing excess fuel to be returned to the fuel tank. With the engine stopped, the fuel pump can be turned ON by using the scan tool output controls function.
The PCM alters fuel pump speed by varying the duty cycle on the fuel pump speed control PWM circuit to the fuel pump control module. Under normal conditions, the fuel pump speed control PWM circuit duty cycle is set at 33 percent. When higher fuel volume is required due to increased engine load (MAP sensor value over 90 kPa), the PCM switches the fuel pump speed control PWM circuit duty cycle to 100 percent. At the higher duty cycle, the fuel pump control module increases the voltage the in-tank fuel pump, allowing a higher volume of fuel to be delivered to the fuel rail. The PCM also compensates for low system voltage by switching the fuel pump control circuit PWM duty cycle to 100 percent.
An intermittent may be caused by a poor connection, rubbed through the wire insulation or a wire broken insideof the insulation.
Check for a poor connection or a damaged harness. Inspect the PCM harness and connectors for the following items:
| • | Improper mating |
| • | Broken locks |
| • | Improperly formed or damaged terminals |
| • | Poor terminal to wire connections |
| • | Damaged harnesses |
Numbers below refer to the Step numbers on the Diagnostic Table:
Fuel pressure between the specified values is sufficient for the vehicle to start. If directed to this table from the Engine Cranks But Will Not Run table, continue diagnosis with Engine Cranks But Will Not Run.
Ensures that the fuel pump speed control PWM circuit and the PCM are capable of controlling fuel pump speed.
Verifies that the fuel pump feed and ground circuits are OK between the fuel pump control module and the fuel pump, and that the fuel pump can deliver adequate pressure to the fuel rail.
Checks the feed circuit to the fuel pump control module.
Ensures that the fuel pump speed control PWM circuit is not shorted to ground.
Checks the ignition feed circuit to the fuel pump relay contacts.
Checks the ground circuit for the fuel pump relay coil.
Ensures that the fuel pump relay control circuit is OK and that the PCM is capable of controlling the fuel pump relay. Using the scan tool to command the fuel pump relay allows only a 2 second ON time.
Checks the fuel pump relay control circuit for a short to ground.
If the fuel pump is operating but incorrect pressure is observed, the fuel pump wiring is OK and the Fuel System Pressure Test should be used for diagnosis.
Determines whether the problem is being caused by an open in the fuel pump feed circuit or the fuel pump ground circuit.
Ensures that the fuel pump speed control PWM circuit is OK and that the PCM can control the fuel pump speed control circuit. Using the scan tool to command the FP Speed allows only a 2 second time in the commanded state.
This vehicle is equipped with a PCM which utilizes an Electrically Erasable Programmable Read Only Memory (EEPROM). When the PCM is being replaced, the new PCM must be programmed.
Step | Action | Values | Yes | No | ||||
|---|---|---|---|---|---|---|---|---|
1 | Was the Powertrain On-Board Diagnostic (OBD) System Check performed? | -- | ||||||
2 | Are any of the following DTCs set?
| -- | Go to the DTC first | |||||
Is fuel pressure indicated at the specified value? | 333-376 kPa (48-55 psi) | |||||||
|
Important:: If the engine cranks but will not run, continue with Engine Cranks but Does Not Run .
Does the fuel pressure increase slightly when high fuel pump speed is selected? | -- | System OK | ||||||
Is fuel pressure indicated at the specified value? | 333-376 kPa (48-55 psi) | |||||||
Is the test lamp ON? | -- | |||||||
7 | Probe terminal 4 (fuel pump control module ground circuit) with a test lamp to B+. Is the test lamp ON? | -- | ||||||
Is the test lamp ON? | -- | |||||||
9 | Locate and repair short to ground in the fuel pump speed control PWM circuit. Refer to Wiring Repairs . Is action complete? | -- | -- | |||||
10 |
Does the voltage measure greater than the specified value while the fuel pump relay is commanded ON? | 8V | ||||||
11 |
Is the test lamp ON while the fuel pump relay is commanded ON? | -- | ||||||
12 |
Was a problem found? | -- | Go to Diagnostic Aids | |||||
Is the test lamp ON? | -- | |||||||
Connect the test lamp between the fuel pump relay feed circuit (terminal 87) and the fuel pump relay ground circuit (terminal 86) Is the test lamp ON? | -- | |||||||
Is the test lamp ON with the fuel pump relay commanded ON? | -- | |||||||
16 |
Is the test lamp ON? | -- | ||||||
17 |
Is action complete? | -- | ||||||
18 | Replace the fuel pump relay. Refer to Fuel Pump Relay Replacement . Is action complete? | -- | -- | |||||
19 | Locate and repair open in fuel pump relay feed circuit. Refer to Wiring Repairs . Is action complete? | -- | -- | |||||
20 | Locate and repair open in fuel pump relay ground circuit. Refer to Wiring Repairs . Is action complete? | -- | -- | |||||
Is the test lamp ON? | -- | |||||||
22 | Locate and repair short to ground in the fuel pump relay control circuit. Refer to Wiring Repairs . Is action complete? | -- | -- | |||||
23 |
Was a problem found? | -- | ||||||
24 | Locate and repair open in fuel pump control module feed circuit. Refer to Wiring Repairs . Is action complete? | -- | -- | |||||
25 | Locate and repair open in fuel pump control module ground circuit. Refer to Wiring Repairs . Is action complete? | -- | -- | |||||
Remove the fuel filler cap and listen for the fuel pump running. Is the fuel pump running? | -- | |||||||
27 |
Is the test lamp ON? | -- | ||||||
Probe the fuel pump feed circuit at the modular fuel sender harness connector with a test lamp to chassis ground. Is the test lamp ON? | -- | |||||||
29 | Locate and repair open in the fuel pump feed circuit. Refer to Wiring Repairs . Is action complete? | -- | -- | |||||
30 | Locate and repair open in the fuel pump ground circuit. Refer to Wiring Repairs . Is action complete? | -- | -- | |||||
Is the test lamp ON with Normal selected and OFF with High selected? | -- | |||||||
32 |
Does the voltage measure near the specified values? | 8V B+ | ||||||
33 |
Was a problem found? | -- | ||||||
34 |
Was a problem found? | -- | ||||||
35 | Replace the fuel pump control module. Refer to Fuel Pump Control Module Replacement . Is action complete? | -- | -- | |||||
36 |
Was a problem found? | -- | ||||||
37 | Replace the fuel pump. Refer to Fuel Sender Assembly Service Is action complete? | -- | -- | |||||
|
Important: : Replacement PCM must be programmed. Replace the PCM. Refer to Powertrain Control Module Replacement/Programming . Is action complete? | -- | -- | ||||||
39 |
Is fuel pressure indicated at the specified value? | 333-376 kPa (48-55 psi) | ||||||
40 |
Does the fuel pressure increase slightly when high fuel pump speed is selected? | -- | System OK |
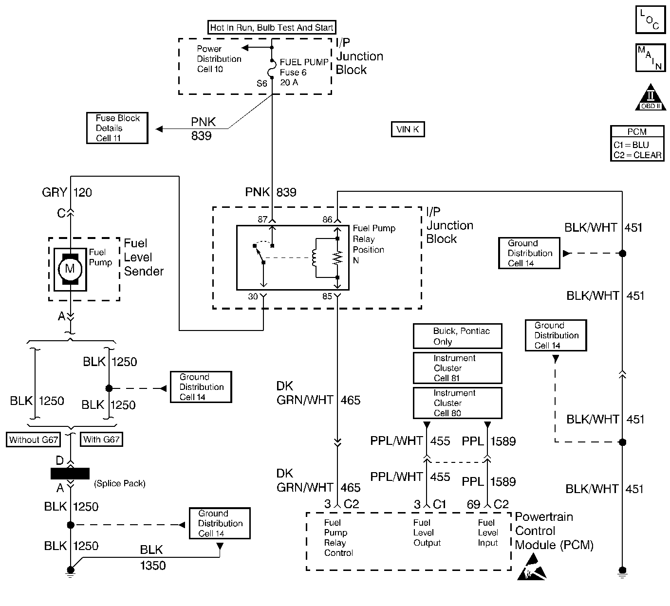
When the ignition switch is first turned ON, the PCM energizes the fuel pump relay which applies battery positive voltage to the in-tank fuel pump. The fuel pump relay will remain ON as long as the engine is running or cranking and the PCM is receiving reference pulses. If no reference pulses are present, the PCM de-energizes the fuel pump relay within 2 seconds after the ignition is turned ON or the engine is stopped.
The fuel pump delivers fuel to the fuel rail and injectors, then to the fuel pressure regulator. The fuel pressure regulator controls fuel pressure by allowing excess fuel to be returned to the fuel tank. With the engine stopped, the fuel pump can be turned ON by using the scan tool device controls function.
An intermittent may be caused by a poor connection, rubbed through wire insulation or a wire broken inside the insulation. Check for the following items:
Poor connection or damaged harness
Inspect the PCM harness and connectors for improper mating, broken locks, improperly formed or damaged terminals, poor terminal to wire connection, and damaged harness.
Numbers below refer to the Step numbers on the Diagnostic Table:
Verifies that the fuel pump feed circuit is OK between the fuel pump relay and the fuel pump, and that the fuel pump can deliver adequate pressure to the fuel rail.
Checks the ignition feed circuit to the fuel pump relay.
Ensures that the fuel pump relay control circuit and the PCM are capable of controlling the fuel pump relay.
Checks the fuel pump control circuit for a short to ground.
Checks the fuel pump control circuit for an open.
If the fuel pump is operating but incorrect pressure is observed, the fuel pump wiring is OK and the Fuel System Pressure Test should be used for diagnosis.
Checks the fuel pump feed circuit between the fuel pump relay and the fuel pump. Also checks the fuel pump ground circuit.
Determines whether the problem is being caused by an open in the fuel pump feed circuit or the fuel pump ground circuit.
This vehicle is equipped with a PCM which utilizes an Electrically Erasable Programmable Read Only Memory (EEPROM). When the PCM is being replaced, the new PCM must be programmed.
Step | Action | Values | Yes | No |
|---|---|---|---|---|
1 | Was the Powertrain On-Board Diagnostic (OBD) System Check performed? | -- | ||
Is fuel pressure indicated at the specified value? | 333-376 kPa (48-55 psi) | |||
Is the test lamp ON? | -- | |||
Did the test lamp turn ON for approximately 2 seconds? | -- | |||
Is the test lamp ON? | -- | |||
Was a problem found? | -- | |||
7 |
Was a problem found? | -- | ||
8 |
Was a problem found? | -- | ||
9 | Probe the ignition feed circuit at the fuel pump relay connector with a test lamp to ground. Is the test lamp ON? | -- | ||
Remove the fuel filler cap and listen for the fuel pump running. Is the fuel pump running? | -- | |||
Is the test lamp ON? | -- | |||
Probe the fuel pump feed circuit at the modular fuel sender harness connector with a test lamp to chassis ground. Is the test lamp ON? | -- | |||
13 | Locate and repair open in the fuel pump feed circuit. Refer to Wiring Repairs in Wiring Systems. Is action complete? | -- | -- | |
14 | Locate and repair open in the fuel pump ground circuit. Refer to Wiring Repairs in Wiring Systems. Is action complete? | -- | -- | |
15 | Locate and repair short to ground in the fuel pump relay control circuit. Refer to Wiring Repairs in Wiring Systems. Is action complete? | -- | -- | |
16 | Locate and repair open in ignition feed to the fuel pump relay. Refer to Wiring Repairs in Wiring Systems. Is action complete? | -- | -- | |
17 | Locate and repair open in ground circuit to the fuel pump relay. Refer to Wiring Repairs in Wiring Systems. Is action complete? | -- | -- | |
18 | Replace the fuel pump relay. Refer to Fuel Pump Relay Replacement . Is action complete? | -- | -- | |
19 | Replace the fuel pump. Refer to Fuel Sender Assembly Service . Is action complete? | -- | -- | |
|
Important: : Replacement PCM must be programmed. Replace the PCM Refer to Powertrain Control Module Replacement/Programming . Is action complete? | -- | -- | ||
21 |
Is fuel pressure indicated at the specified value? | 333-376 kPa (48-55 psi) | System OK |