GM Service Manual Online
For 1990-2009 cars only
Makes
🢒
Oldsmobile
🢒
1998
🢒
LSS
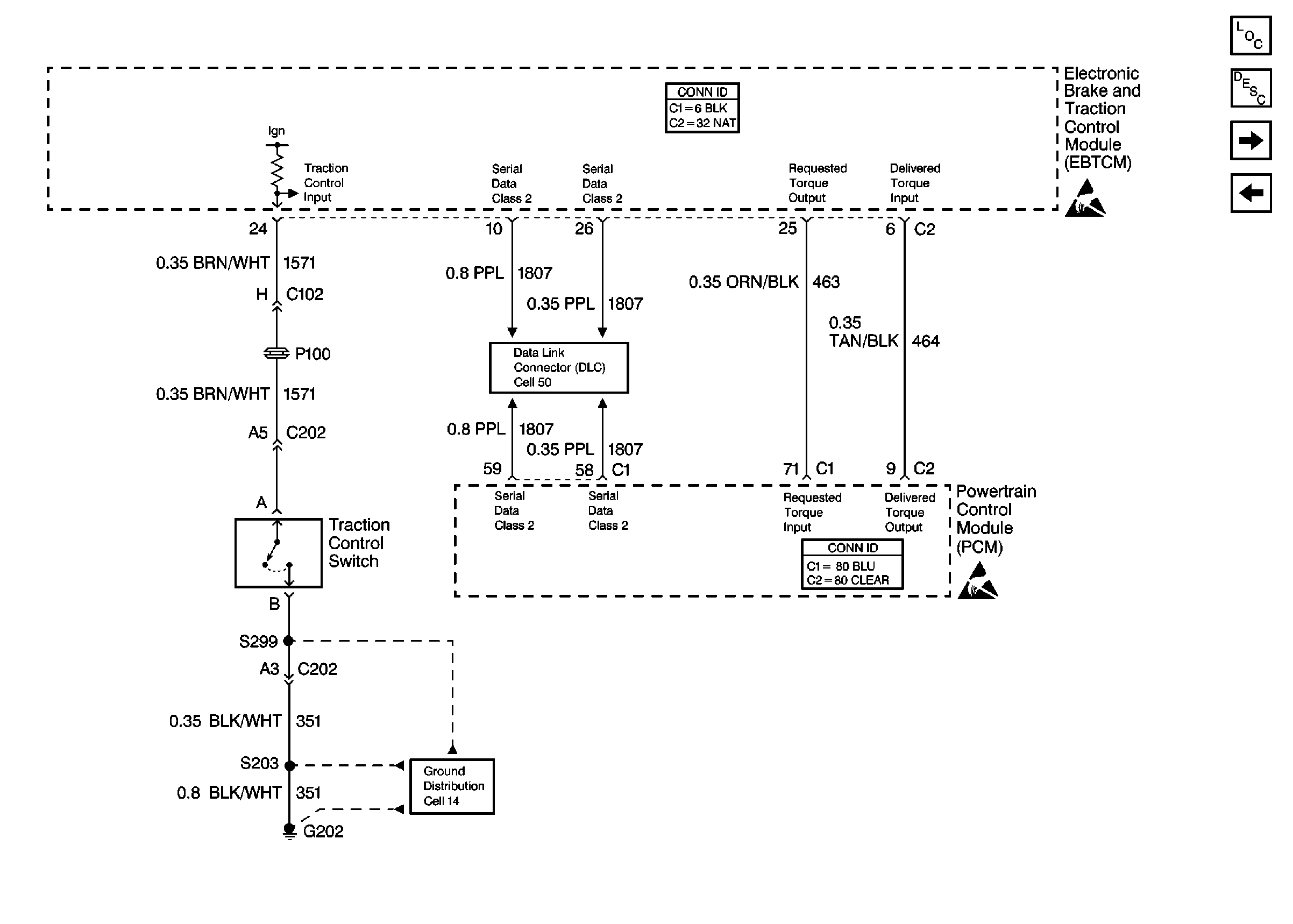
🢒 Cell 44: Traction Control Switch and PCM
Cell 44: Traction Control Switch and PCM
Cell 44: Traction Control Switch and PCM
ABS Components
Cell 44: Wheel Speed Sensors and Variable Steering Actuator
Cell 44: Indicator and Stoplamp/BTSI Switch
Handling ESD Sensitive Parts Notice
Handling ESD Sensitive Parts Notice
Cell 50: Class 2 Serial Data Line
Cell 14: G202 (1 of 4)