GM Service Manual Online
For 1990-2009 cars only
Makes
🢒
Oldsmobile
🢒
1998
🢒
LSS
🢒 Cell 34: Multifunction Lever
Cell 34: Multifunction Lever
Cell 34: Multifunction Lever
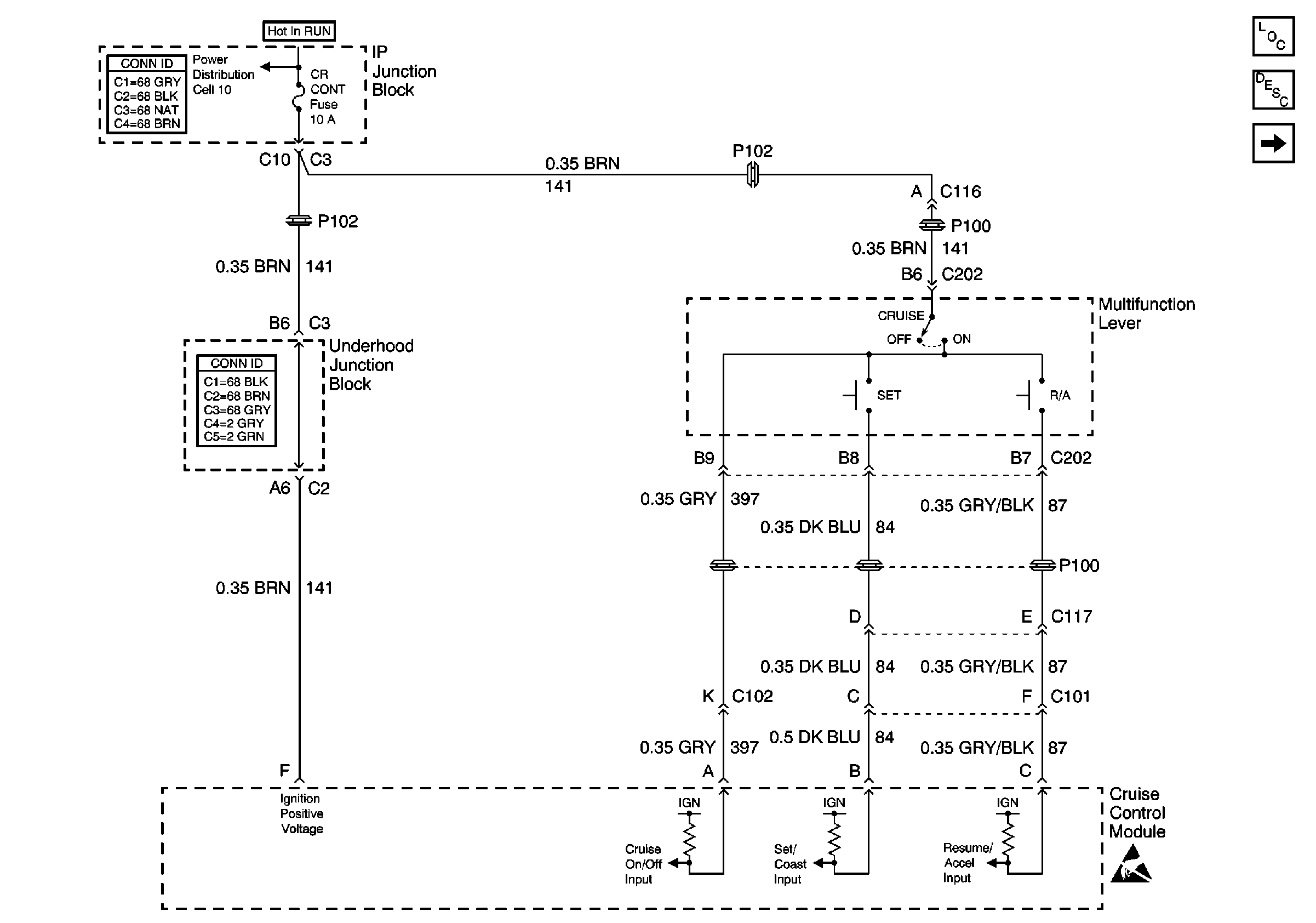
Cruise Control Components
Cruise Control System Circuit Description
Cell 34: ABS/TCC Switch
Handling ESD Sensitive Parts Notice
Power and Grounding Connector End Views
Power and Grounding Connector End Views
Power Distribution Schematics