GM Service Manual Online
For 1990-2009 cars only
Makes
🢒
Oldsmobile
🢒
1998
🢒
LSS
🢒 Cell 34: ABS/TCC Switch
Cell 34: ABS/TCC Switch
Cell 34: ABS/TCC Switch
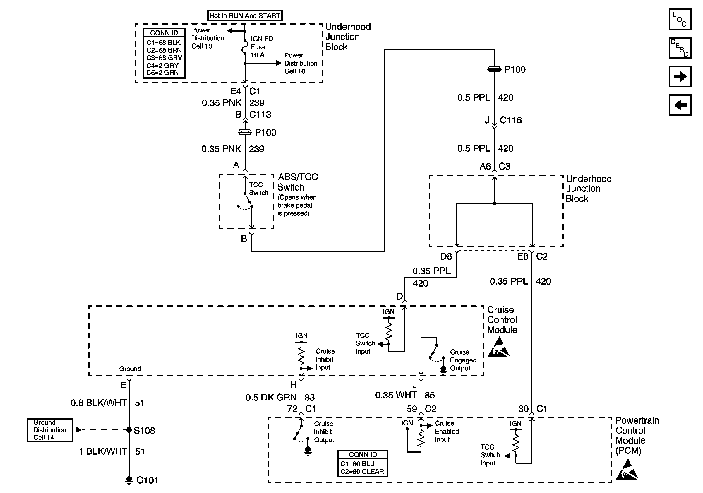
Cruise Control Components
Cruise Control System Circuit Description
Cell 34: Stoplamp Switch
Cell 34: Multifunction Lever
Power Distribution Schematics
Power Distribution Schematics
Power Distribution Schematics
Handling ESD Sensitive Parts Notice
Handling ESD Sensitive Parts Notice
Powertrain Control Module Connector End Views
Ground Distribution Schematics
Power and Grounding Connector End Views