GM Service Manual Online
For 1990-2009 cars only
Makes
🢒
Oldsmobile
🢒
1998
🢒
LSS
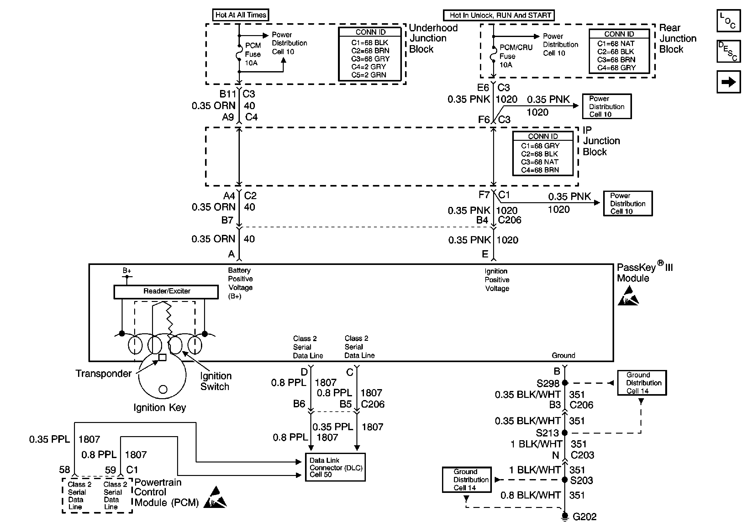
🢒 Cell 133: PASS-Key III
Cell 133: PASS-Key III
Cell 133: PASS-Key III
Cell 10: HORN and PCM Fuses
Cell 10: IGN, RUN/CRK, RUN, SBM, and PCM/CRU Fuses
Cell 10: IGN, RUN/CRK, RUN, SBM, and PCM/CRU Fuses
Cell 10: IGN, RUN/CRK, RUN, SBM, and PCM/CRU Fuses
Cell 50: Class 2 Serial Data Line
Cell 14: G202 (2 of 4)
Instrument Cluster and HUD Connector End Views
Instrument Cluster and HUD Connector End Views
Instrument Cluster and HUD Connector End Views
Content Theft Deterrent (CTD) Circuit Description
Theft Deterrent System Components
Cell 133: Content Theft Deterrent
Handling ESD Sensitive Parts Notice
Handling ESD Sensitive Parts Notice
Cell 14: G202 (1 of 4)