GM Service Manual Online
For 1990-2009 cars only
Makes
🢒
Oldsmobile
🢒
1999
🢒
Shelby Series 1
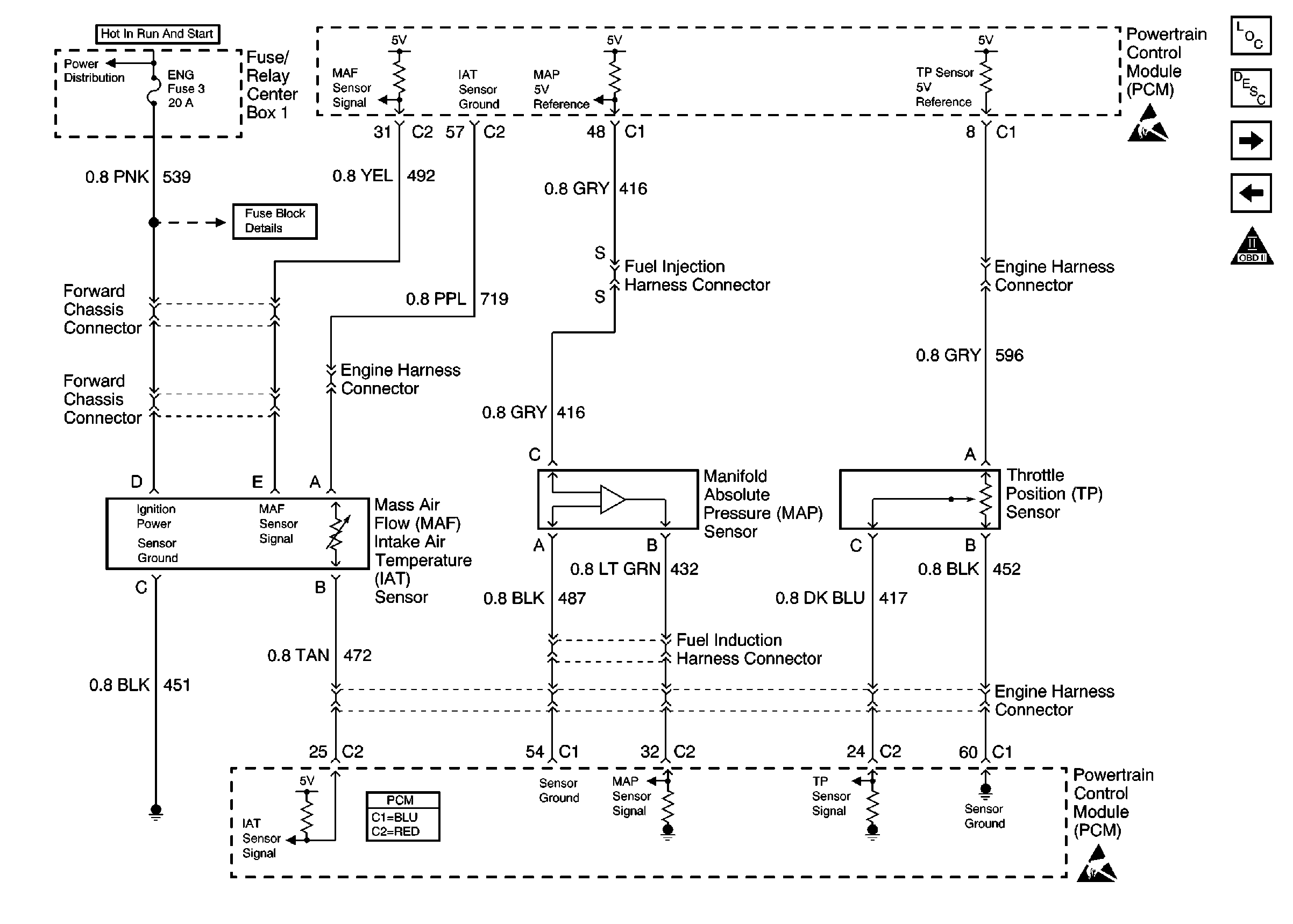
🢒 Information Sensors
Information Sensors
Information Sensors
Engine Controls Components
Information Sensors/Switches Description
Fuel Injectors
Fuel System
OBD II Symbol Description Notice
Powertrain Control Module Connector End Views
Handling ESD Sensitive Parts Notice
Handling ESD Sensitive Parts Notice