GM Service Manual Online
For 1990-2009 cars only

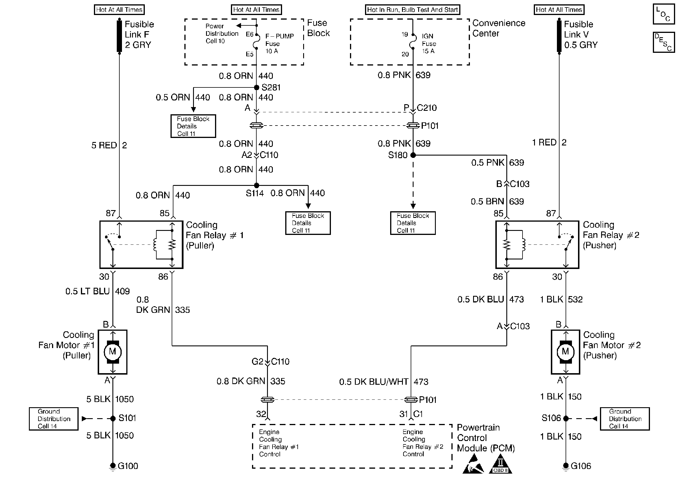
Electric Engine Cooling Fan and Relay

Caution: Keep hands, tools, and clothing away from the electric engine coolant fans in order to help prevent personal injury. These fans are electric and can turn on whether or not the engine is running. The fans can start automatically with the ignition in the ON position.

These vehicles use (2) cooling fans, one main and one auxiliary, to aid air flow through the radiator. The main cooling fan diameter is 415 mm (16.3 in) and the auxiliary fan diameter is 310 mm (12.2 in). Electric motors drive the cooling fans. These motors are attached to the radiator.

A coolant temperature switch activates the fan motors. This switch regulates voltage to the cooling fan relay. This switch operates the fan whenever the engine coolant temperature exceeds 110°C (230°F). For location and diagnosis, refer to
Object Number: 26668  Size: FS
Handling Electrostatic Discharge Sensitive Parts Notice
Cooling System Components
Electric Engine Cooling Fan Assembly
OBD II Symbol Description Notice
. A transducer can also activate the circuit, depending on the A/C compressor head pressure going to the condenser.

The engine cooling fan relays provide the high current required for the cooling fan motors using a low current signal coming from the Powertrain Control Module (PCM). This signal is a function of various inputs.

Refer to
Object Number: 26668  Size: FS
Handling Electrostatic Discharge Sensitive Parts Notice
Cooling System Components
Electric Engine Cooling Fan Assembly
OBD II Symbol Description Notice
for further information and diagnosis of the cooling fan relay.