GM Service Manual Online
For 1990-2009 cars only
Makes
🢒
Opel
🢒
2007
🢒
Antara
🢒
Diagnostic Navigation
🢒
Vehicle Diagnostic Information
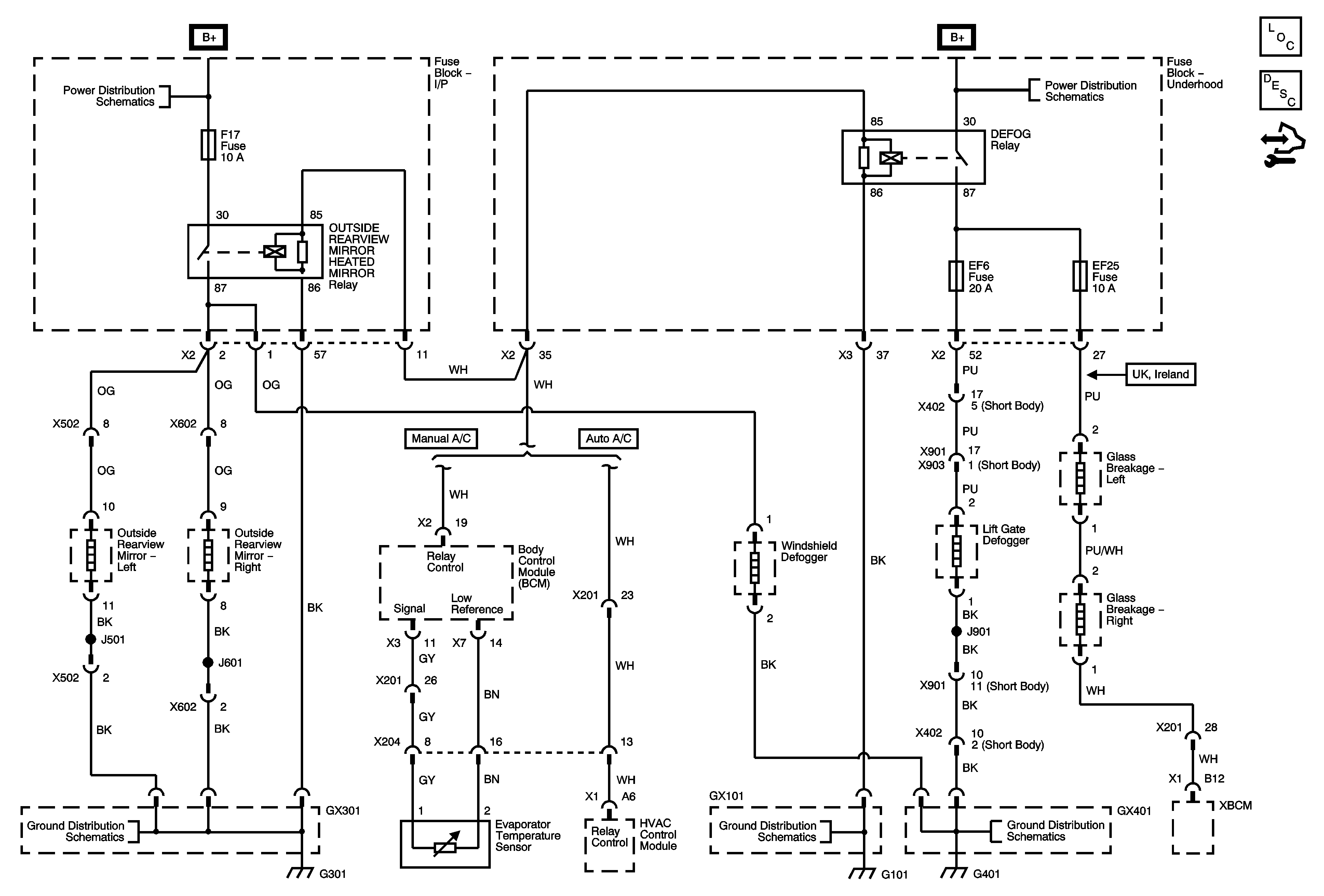
🢒 Defogger Schematics
Master Electrical Component List
Rear Window Defogger Description and Operation
Control Module References
EF7, F6, 8, 9, 13, 17, 20, 25, 27, 29 Fuses, Run/Crank, Outside Rearview Mirror, Liftgate Glass Relays
EF1, 4, 6, 17, 18, 19, 20, 23 Fuses
EF25, 30 Fuses, Defog Relay, Ignition Switch
Ground Distribution G301
Ground Distribution G101, G103, G105
Ground Distribution G401