GM Service Manual Online
For 1990-2009 cars only
Makes
🢒
Opel
🢒
2007
🢒
Antara
🢒
Diagnostic Navigation
🢒
Vehicle Diagnostic Information
🢒 Engine Controls Schematics
Figure
1:
Power and Ground
Master Electrical Component List
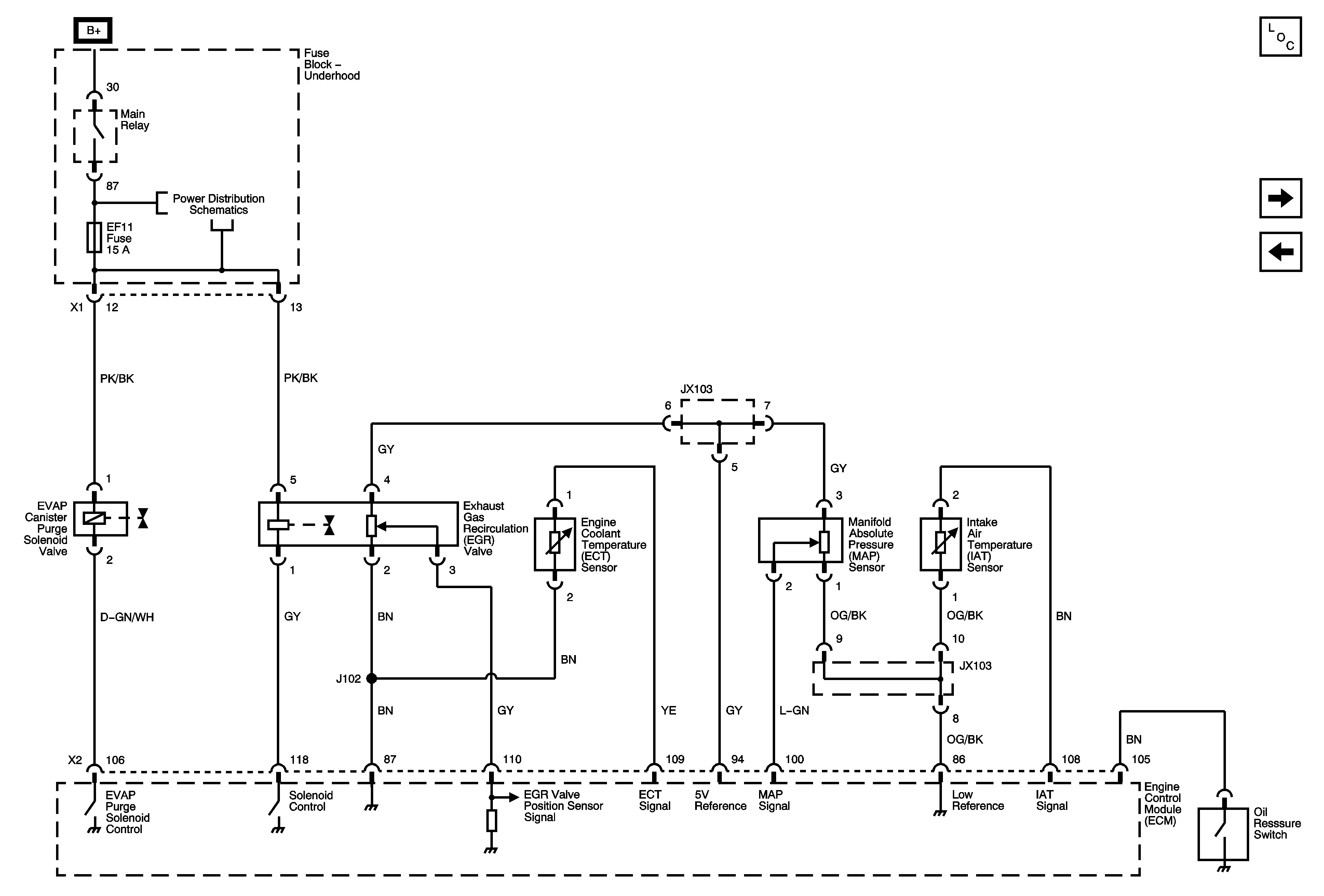
EVAP and EGR Controls
EF10, 11, 12, 13, 15 Fuses, Main Relay (2.4L)
Data Link Connector (DLC)
Ground Distribution G108, G111 (2.4L)
Figure
2:
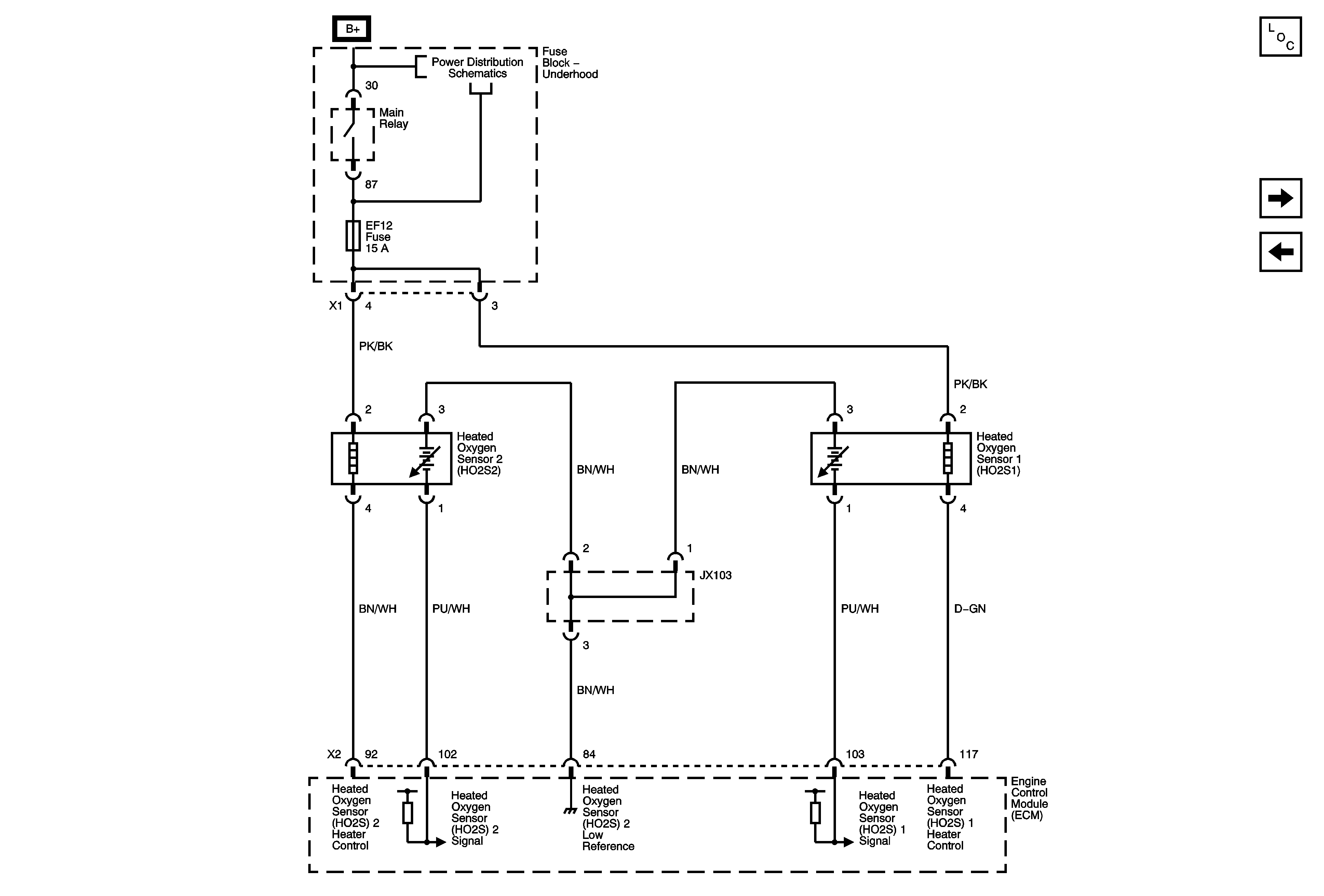
EVAP and EGR Controls
Master Electrical Component List
HO2S Sensors
Power and Ground
EF10, 11, 12, 13, 15 Fuses, Main Relay (2.4L)
Figure
3:
HO2S Sensors
Master Electrical Component List
Throttle Controls
EVAP and EGR Controls
EF10, 11, 12, 13, 15 Fuses, Main Relay (2.4L)
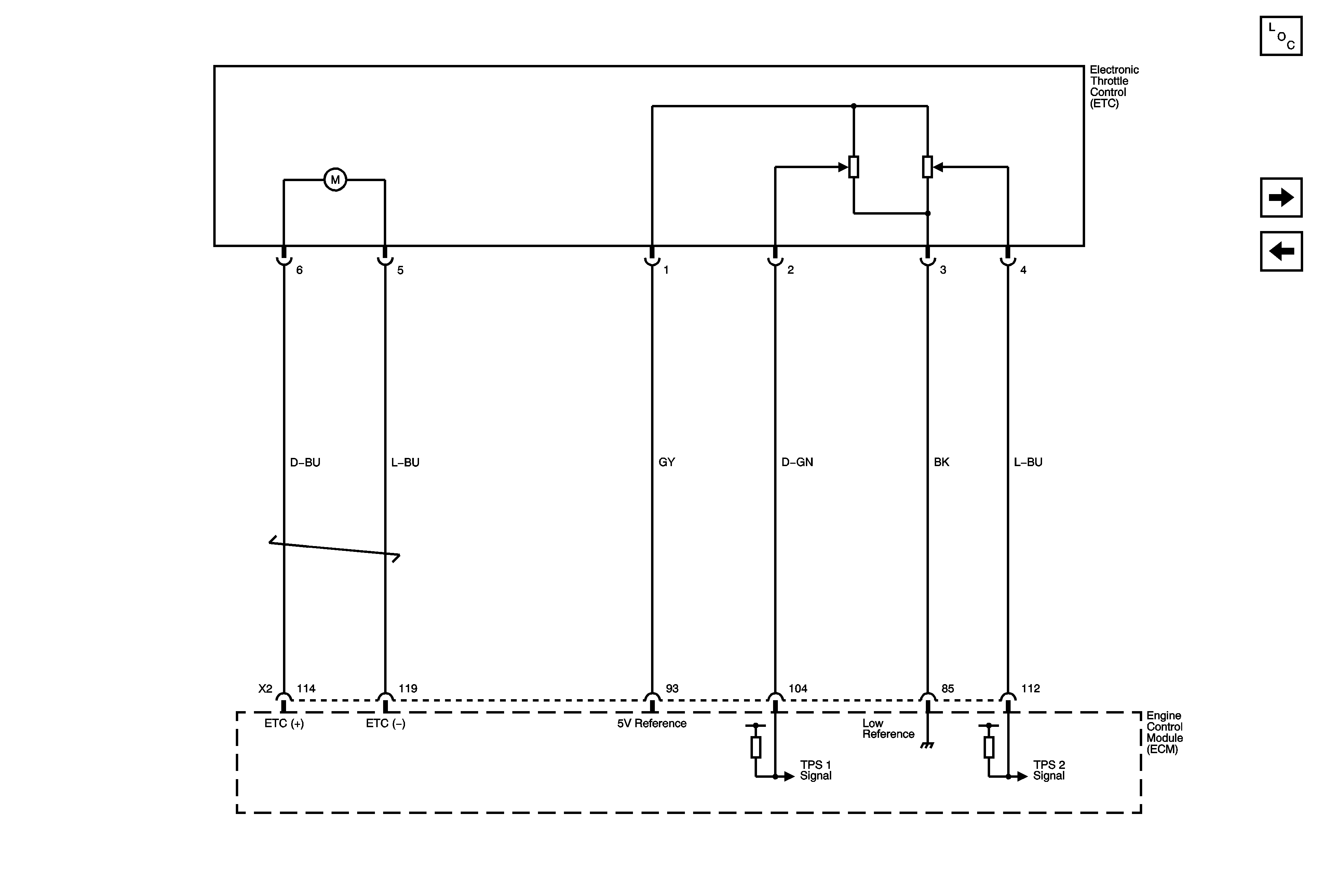
Figure
4:
Throttle Controls
Master Electrical Component List
Accelerator Sensors
HO2S Sensors
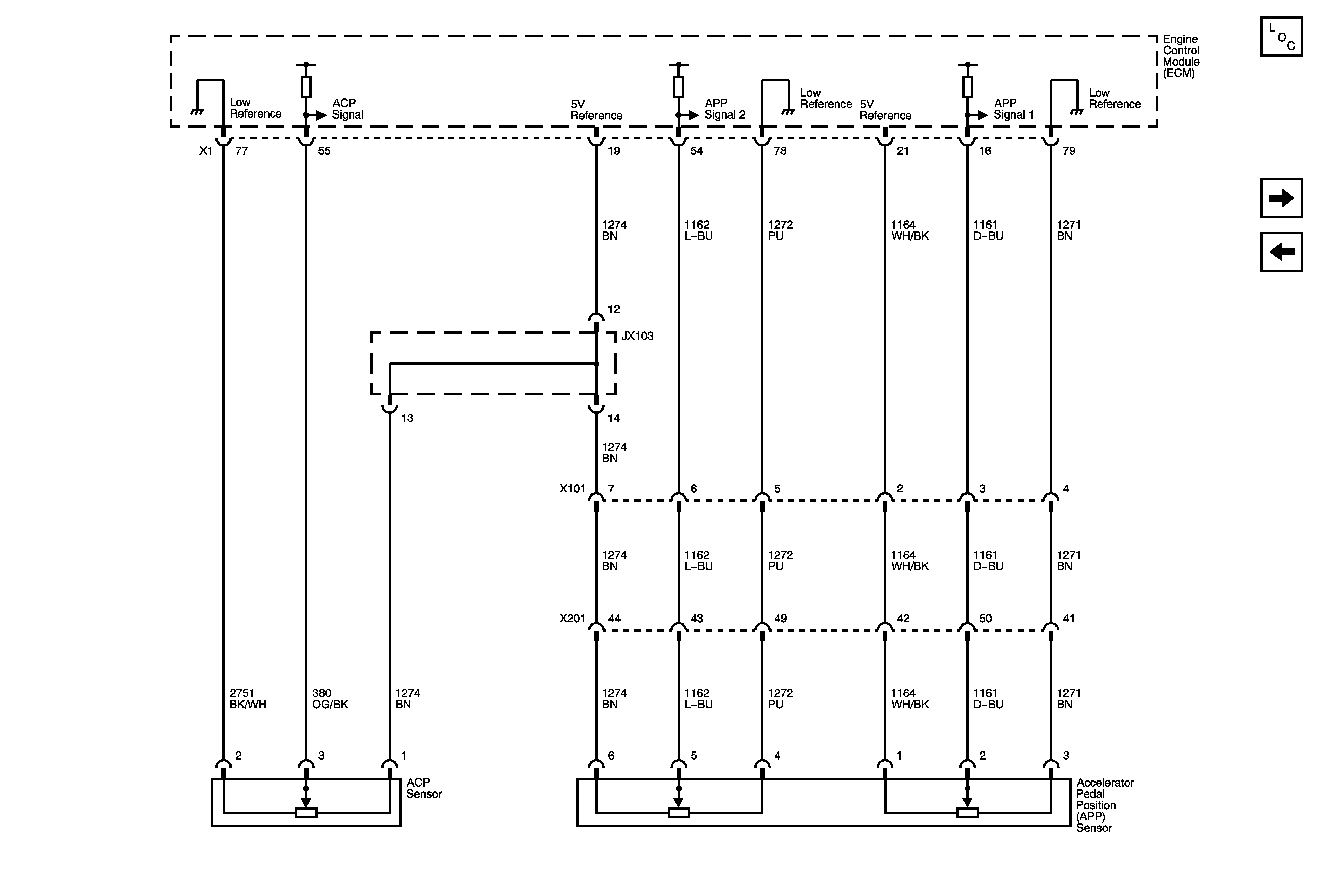
Figure
5:
Accelerator Sensors
Master Electrical Component List
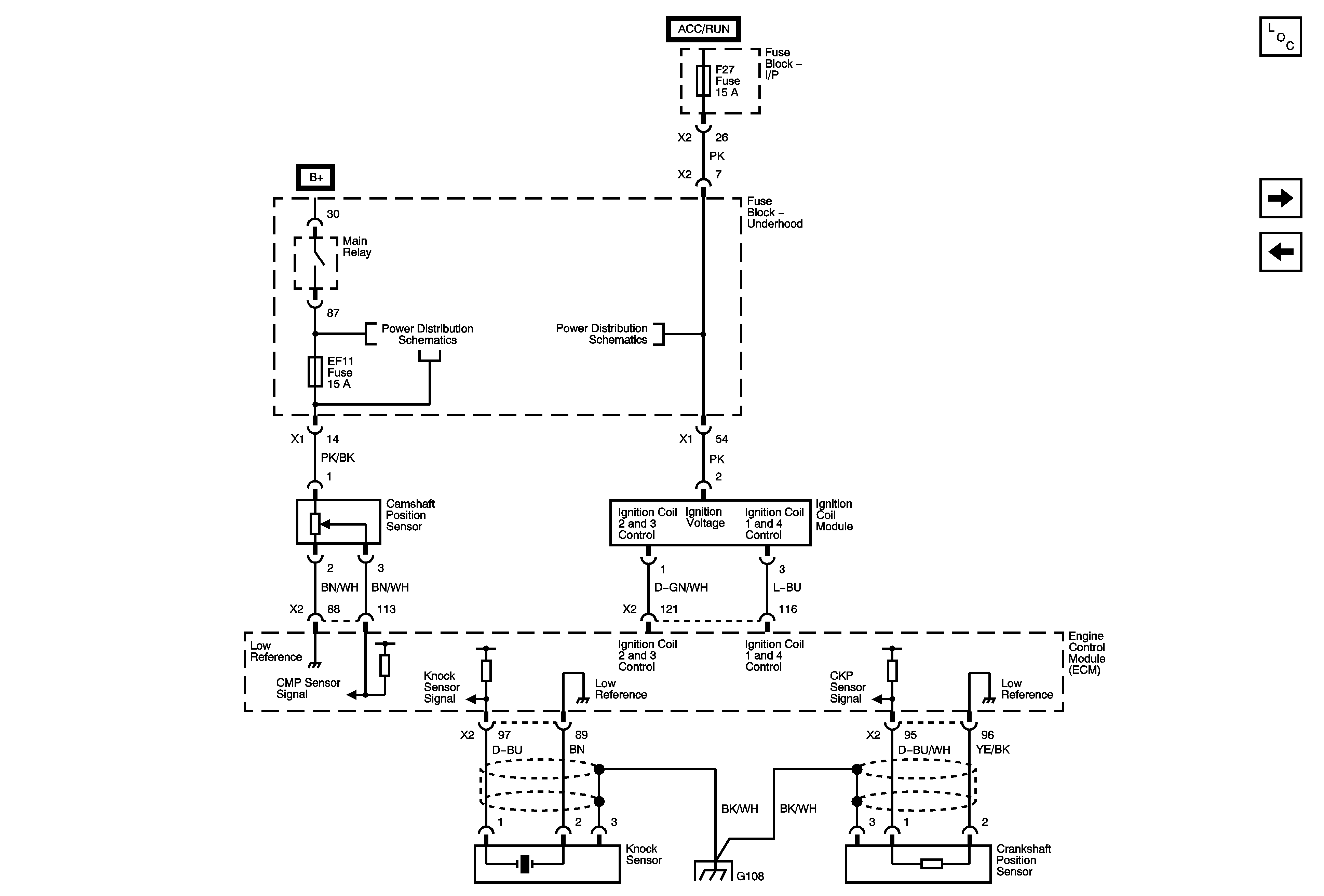
Ignition Sensors
Throttle Controls
Figure
6:
Ignition Sensors
Master Electrical Component List
Fuel Controls
Accelerator Sensors
EF10, 11, 12, 13, 15 Fuses, Main Relay (2.4L)
EF7, F6, 8, 9, 13, 17, 20, 25, 27, 29 Fuses, Run/Crank, Outside Rearview Mirror, Liftgate Glass Relays
Ground Distribution G108, G111 (2.4L)
Figure
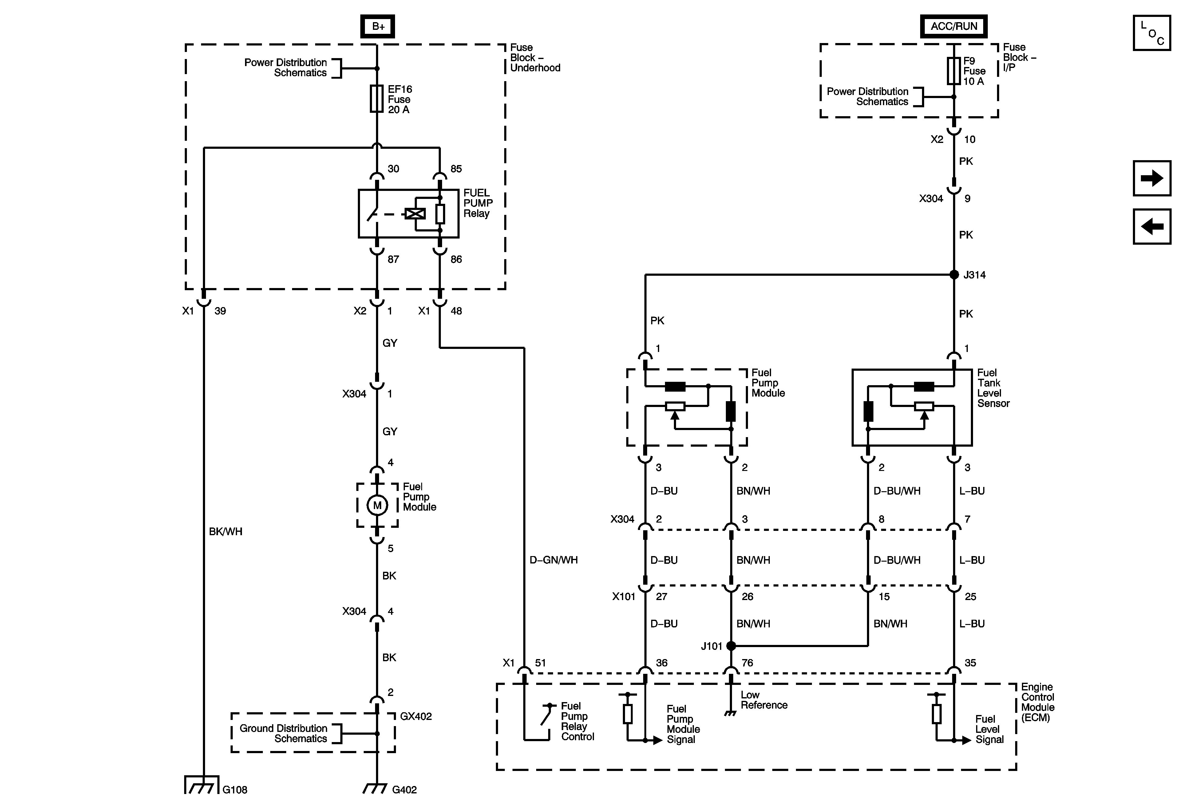
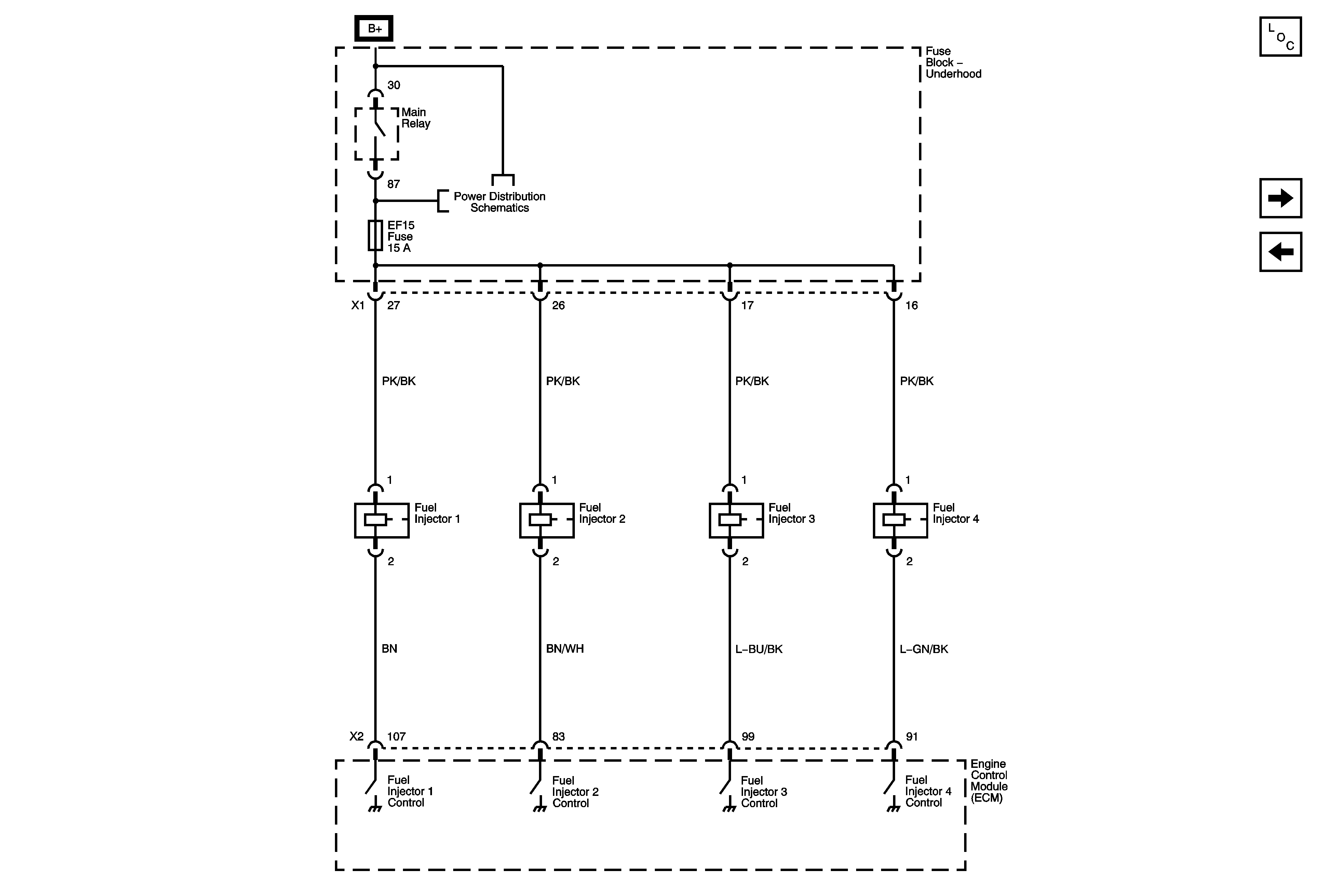
7:
Fuel Controls
Master Electrical Component List
Fuel Injectors
Ignition Sensors
EF5, 13, 16, 24, 31, 32 Fuses, Starter, Park Lamp, Fuel Pump Relays
EF7, F6, 8, 9, 13, 17, 20, 25, 27, 29 Fuses, Run/Crank, Outside Rearview Mirror, Liftgate Glass Relays
Ground Distribution G108, G111 (2.4L)
Ground Distribution G402
Figure
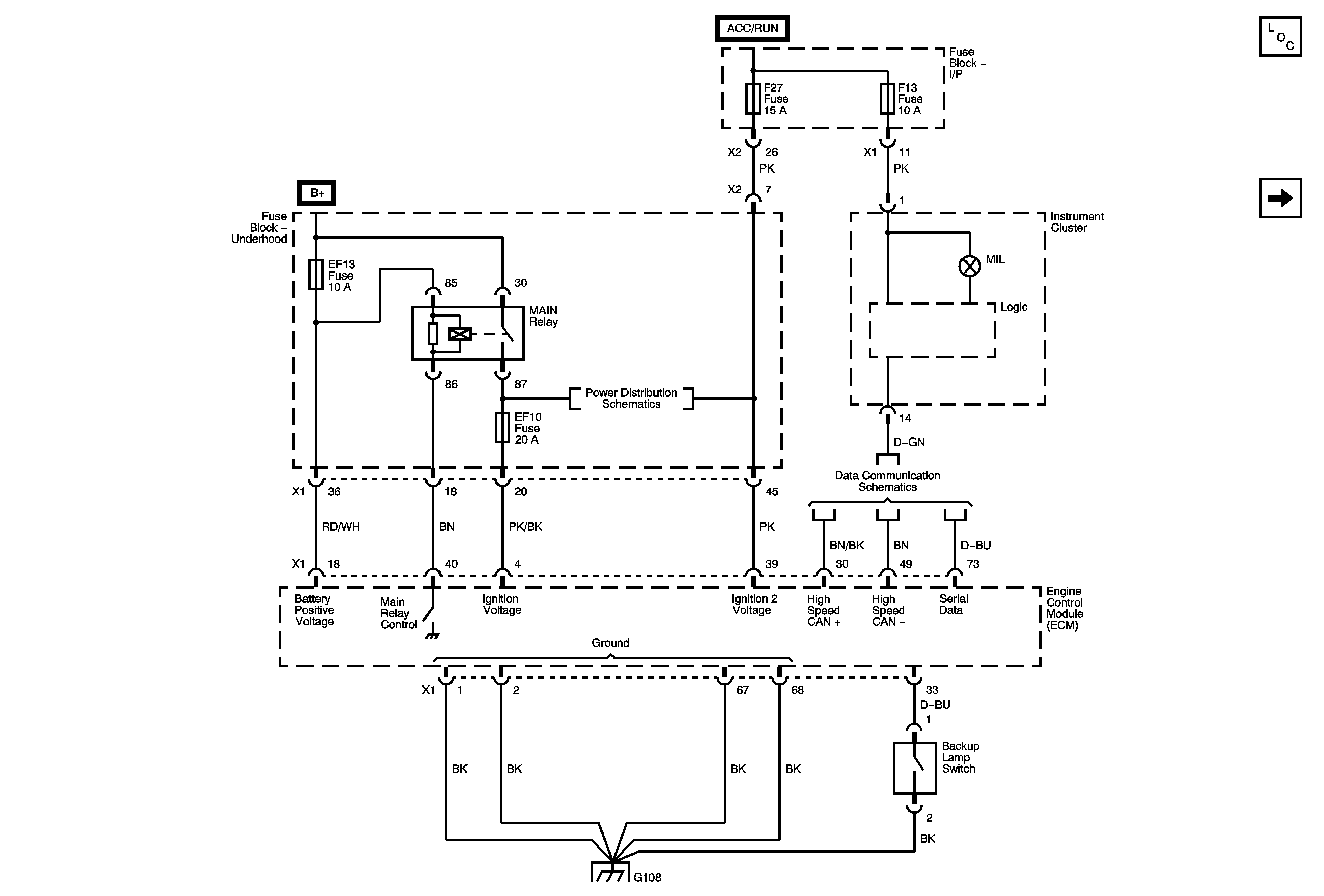
8:
Fuel Injectors
Master Electrical Component List
System References
Fuel Controls
EF10, 11, 12, 13, 15 Fuses, Main Relay (2.4L)
Figure
9:
System References
Master Electrical Component List
Fuel Injectors
Park Lamps
Engine Cooling Schematics
Blower Controls
Compressor Controls
Charging System