GM Service Manual Online
For 1990-2009 cars only
Makes
🢒
Opel
🢒
2007
🢒
Antara
🢒
Transmission/Transaxle
🢒
Automatic Transaxle - Aisin 55-51LE
🢒 Automatic Transmission Controls Schematics
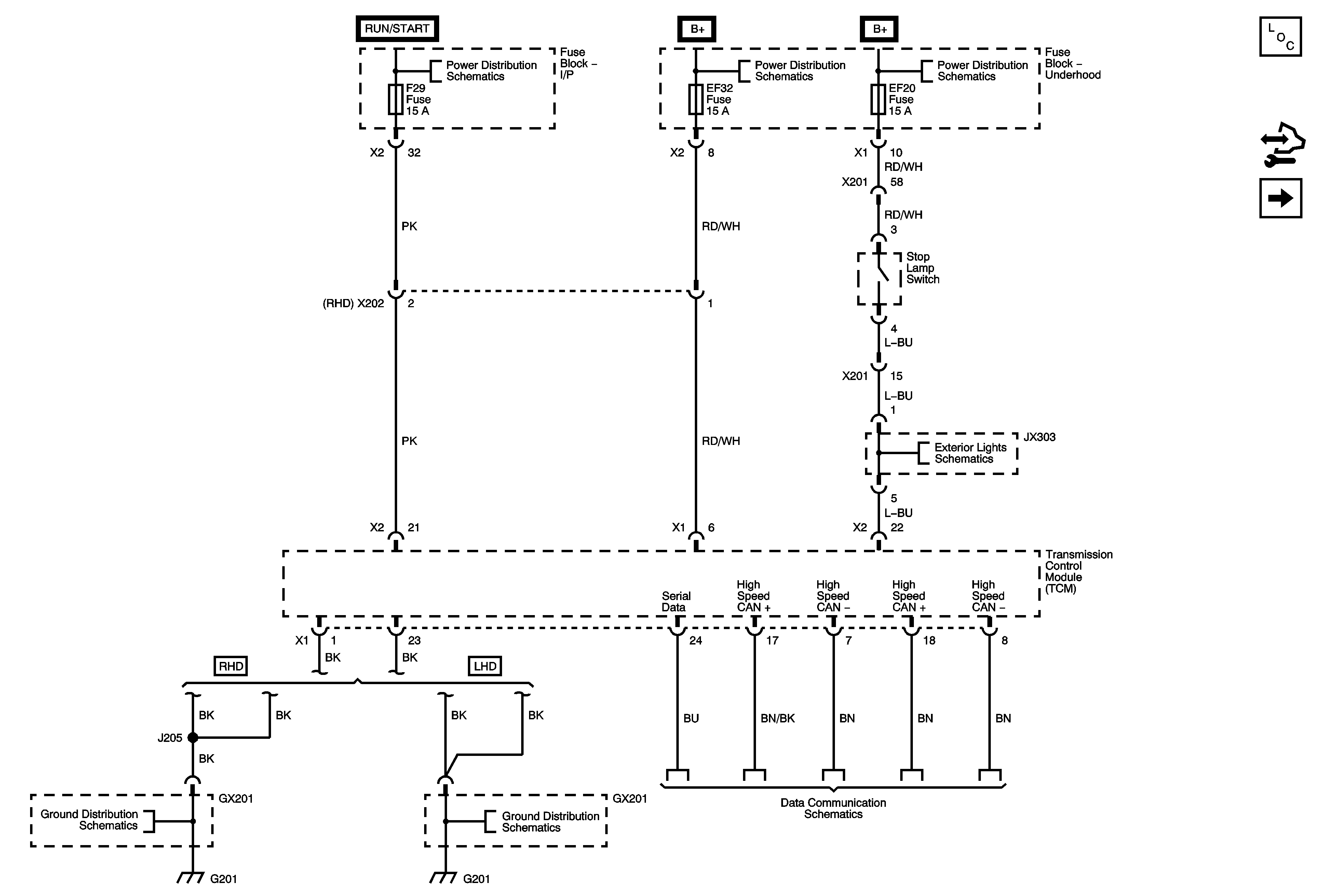
Figure
1:
Module Power, Ground, Serial Data, MIL
Master Electrical Component List
Control Module References
Transaxle Solenoids, Speed Sensors
EF7, F6, 8, 9, 13, 17, 20, 25, 27, 29 Fuses, Run/Crank, Outside Rearview Mirror, Liftgate Glass Relays
EF5, 13, 16, 24, 31, 32 Fuses, Starter, Park Lamp, Fuel Pump Relays
EF1, 4, 6, 17, 18, 19, 20, 23 Fuses
Park Lamps
Ground Distribution G201
Ground Distribution G201
Data Link Connector (DLC)
Figure
2:
Transaxle Solenoids and Speed Sensors
Master Electrical Component List
Control Module References
Transaxle Solenoids, Speed Sensors (RHD Short Body)
Module Power, Ground, Serial Data
Figure
3:
Transaxle Solenoids, Speed Sensors (RHD Short Body)
Master Electrical Component List
Control Module References
Park/Neutral Position (PNP) Switch, Winter Mode Switch
Transaxle Solenoids, Speed Sensors
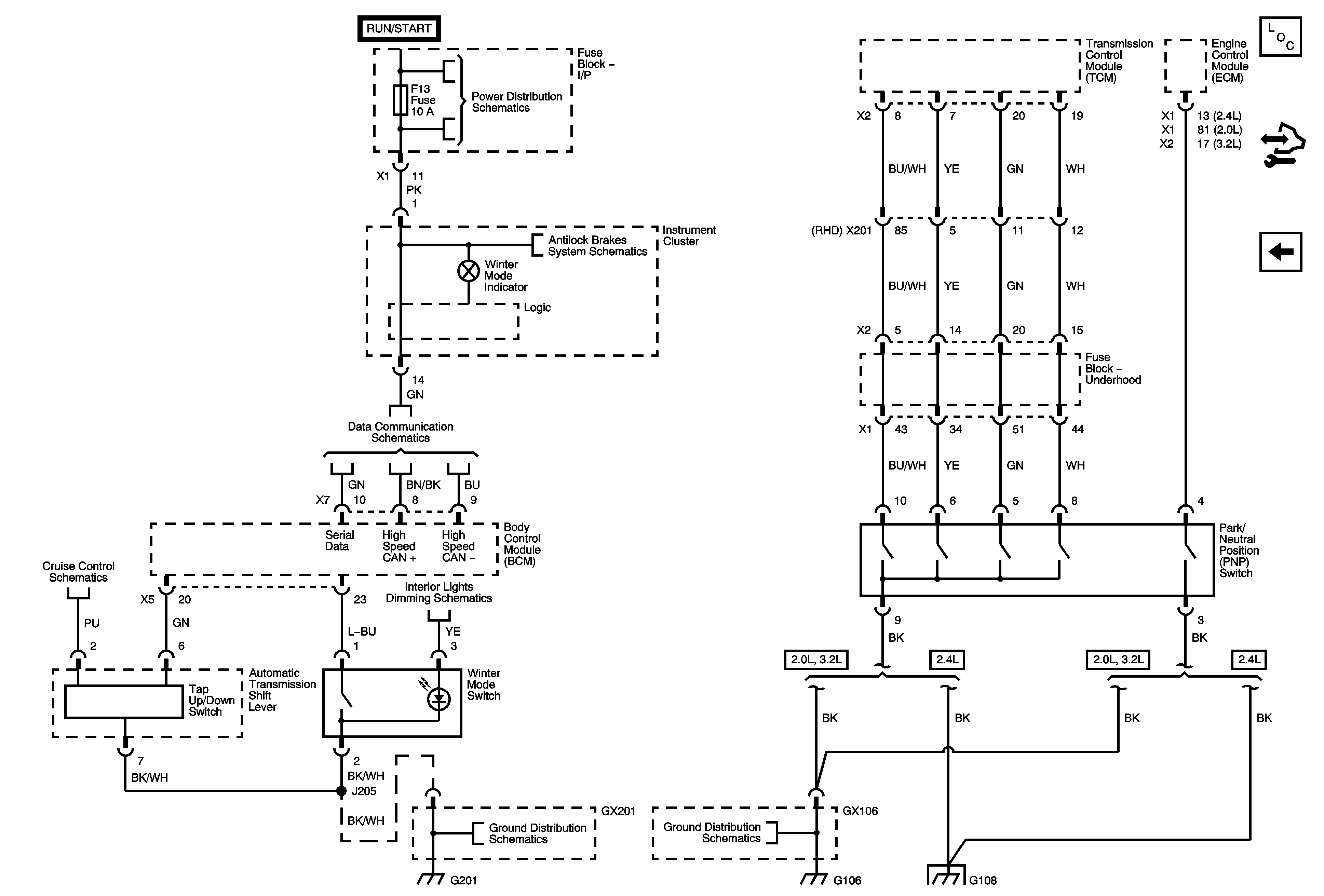
Figure
4:
Park/Neutral Position (PNP) Switch, Winter Mode Switch
Master Electrical Component List
Control Module References
Transaxle Solenoids, Speed Sensors (RHD Short Body)
EF7, F6, 8, 9, 13, 17, 20, 25, 27, 29 Fuses, Run/Crank, Outside Rearview Mirror, Liftgate Glass Relays
Power, Ground, ESP and Oil Feed Connector
Data Link Connector (DLC)
Cruise Control Schematics
Ground Distribution G201
Ground Distribution G106, G107, G109, G110 (3.2L)
Ground Distribution G106 (2.0L Diesel)
Ground Distribution G108, G111 (2.4L)