GM Service Manual Online
For 1990-2009 cars only
Makes
🢒
Opel
🢒
2007
🢒
Antara
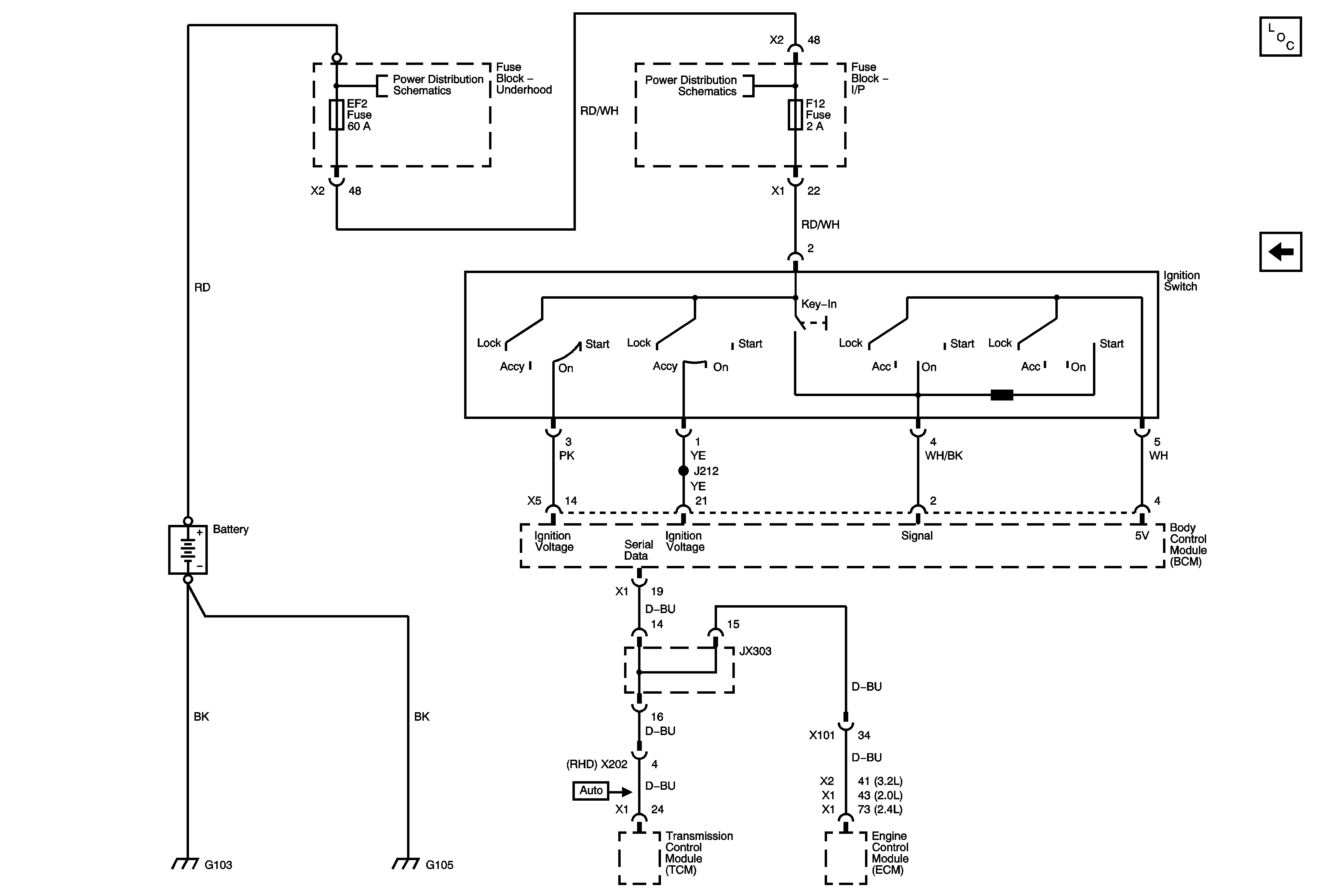
🢒 Starting System Cont.
Starting System Cont.
Starting System Cont.
Master Electrical Component List
Starting System
EF2, F11, 12, 14, 16, 19, 24, 26, 31, 35 Fuses
EF2, F11, 12, 14, 16, 19, 24, 26, 31, 35 Fuses