GM Service Manual Online
For 1990-2009 cars only
Makes
🢒
Opel
🢒
2007
🢒
Antara
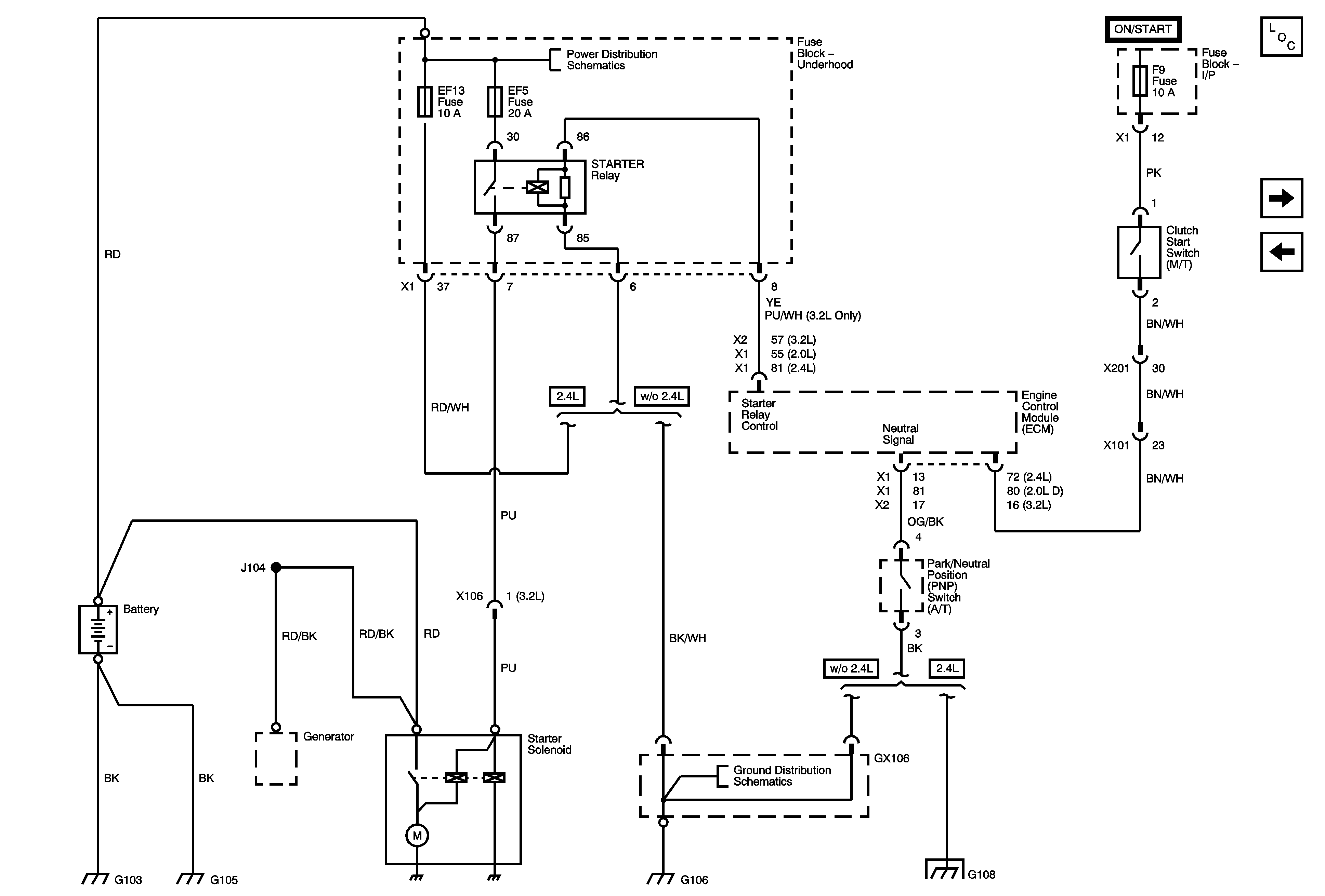
🢒 Starting System
Starting System
Starting System
Master Electrical Component List
Starting System Cont.
Charging System
EF5, 13, 16, 24, 31, 32 Fuses, Starter, Park Lamp, Fuel Pump Relays
Ground Distribution G106, G107, G109, G110 (3.2L)
Ground Distribution G108, G111 (2.4L)