GM Service Manual Online
For 1990-2009 cars only
Makes
🢒
Opel
🢒
2008
🢒
Antara
🢒
Diagnostic Navigation
🢒
Vehicle Diagnostic Information
🢒 Liftgate Schematics
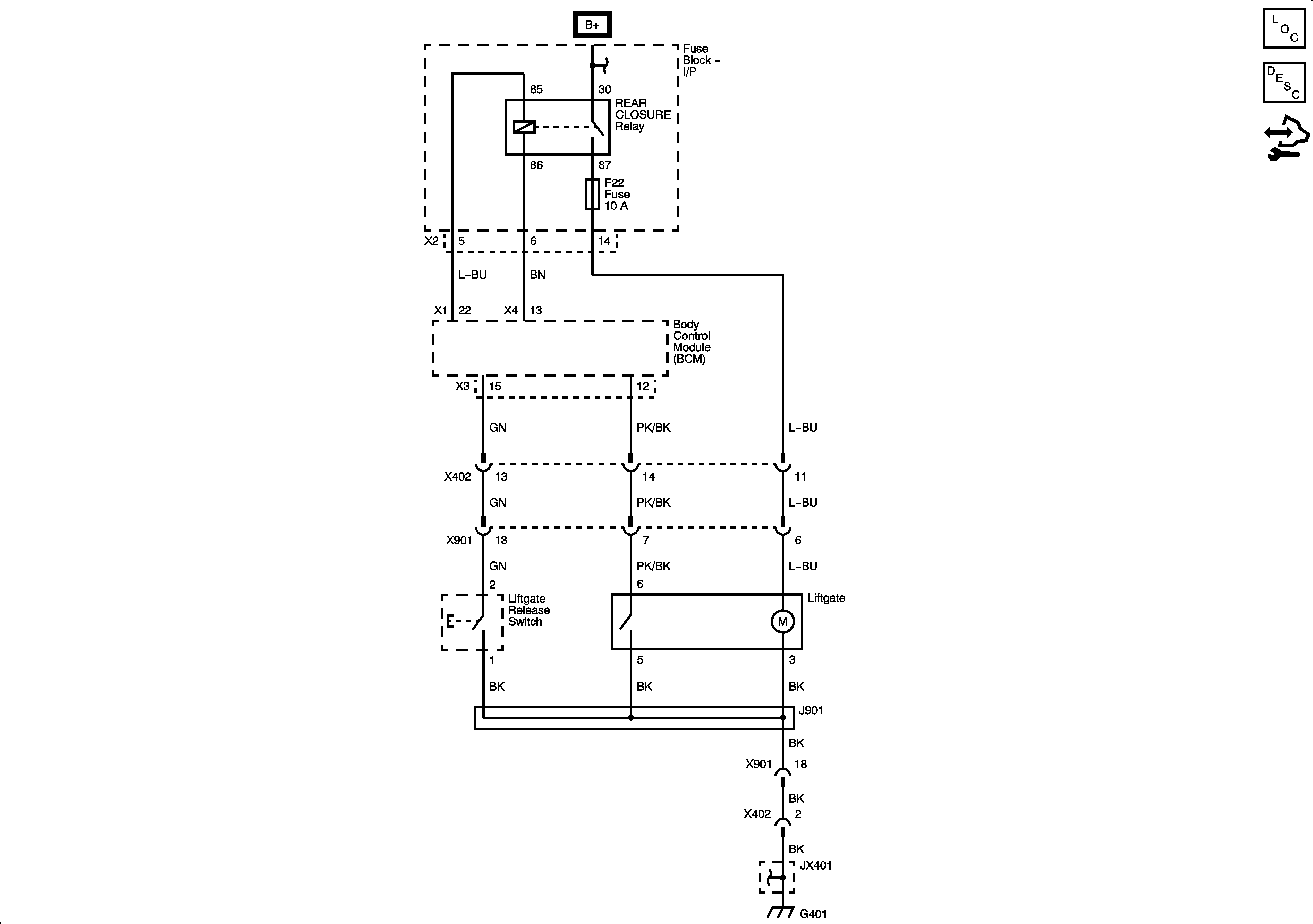
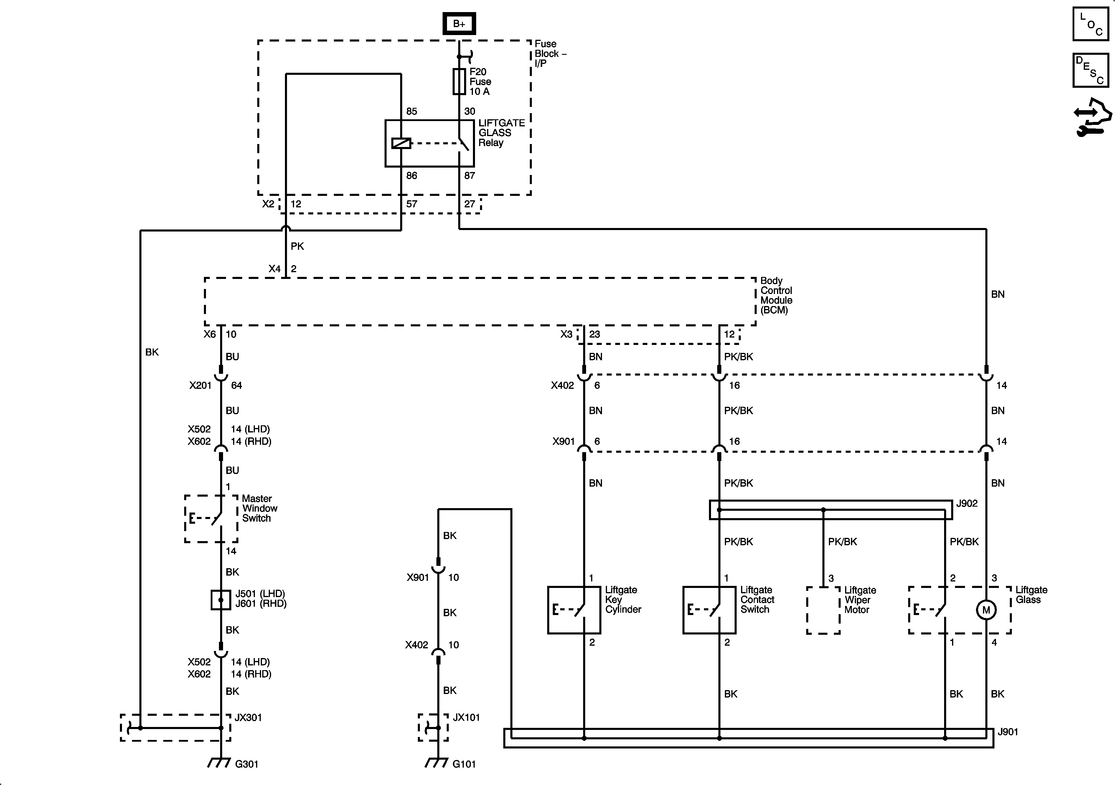
Liftgate Schematics C100/Long Body
Master Electrical Component List
Control Module References
EF7, F6, 8, 9, 13, 17, 20, 25, 27, 29 Fuses, Run/Crank, Rear Fog Lamps, Outside Rearview Mirror, liftgate Glass Relays
G301 (1 of 3)
G101, G103, G105
Liftgate Schematics C105/Short Body
Master Electrical Component List
Control Module References
EF30, EF31, F4, F21, F22, F23 Fuses
G401 (2 of 2)