GM Service Manual Online
For 1990-2009 cars only
Makes
🢒
Opel
🢒
2008
🢒
Antara
🢒
Body Systems
🢒
Horns
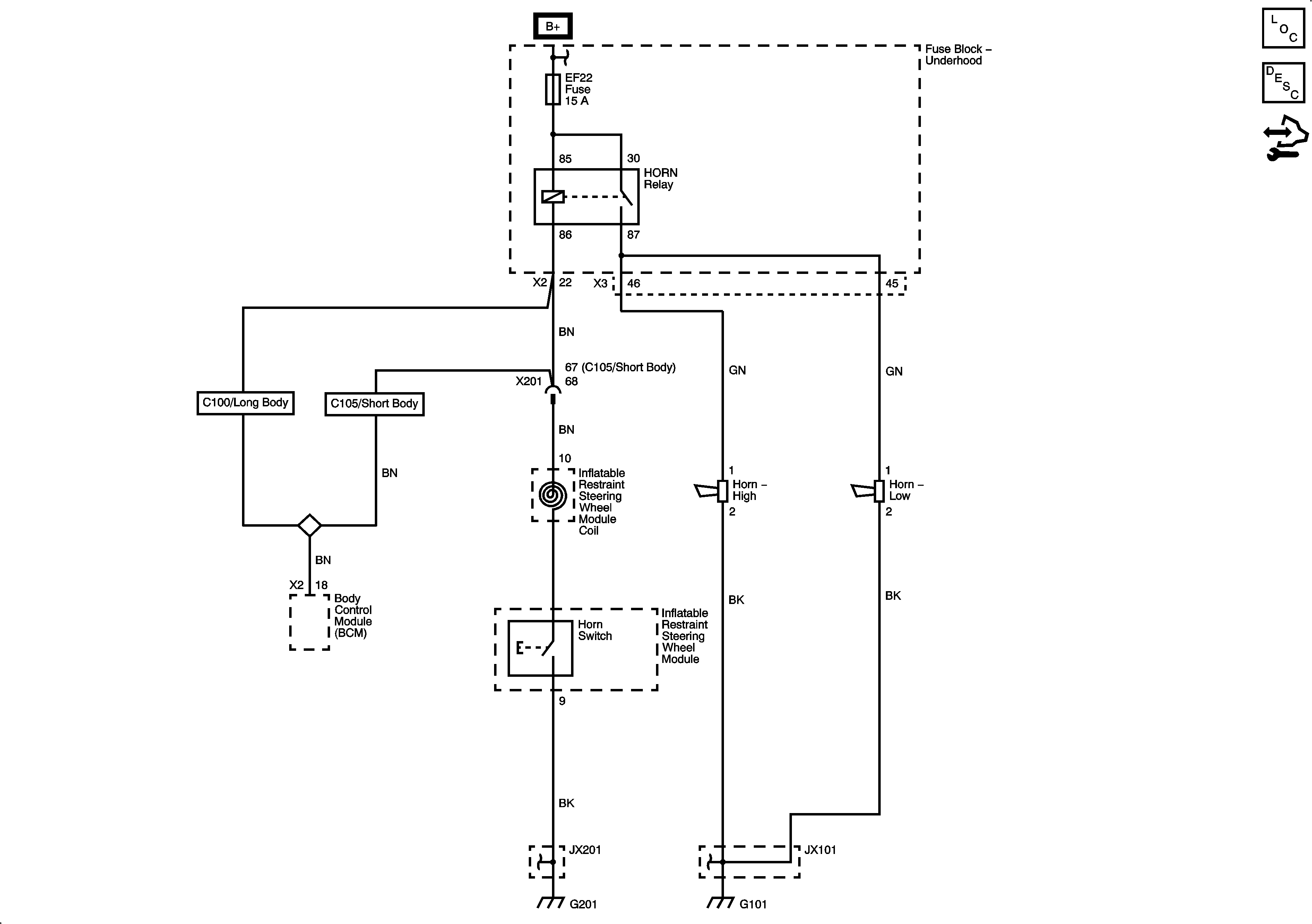
🢒 Horn Schematics
Master Electrical Component List
Horns System Description and Operation
Control Module References
EF22, 33, 34, Fuses, Horn, Headlamp Washer, Wipers Relays
G201 (1 of 2)
G101, G103, G105