GM Service Manual Online
For 1990-2009 cars only
Makes
🢒
Opel
🢒
2008
🢒
Antara
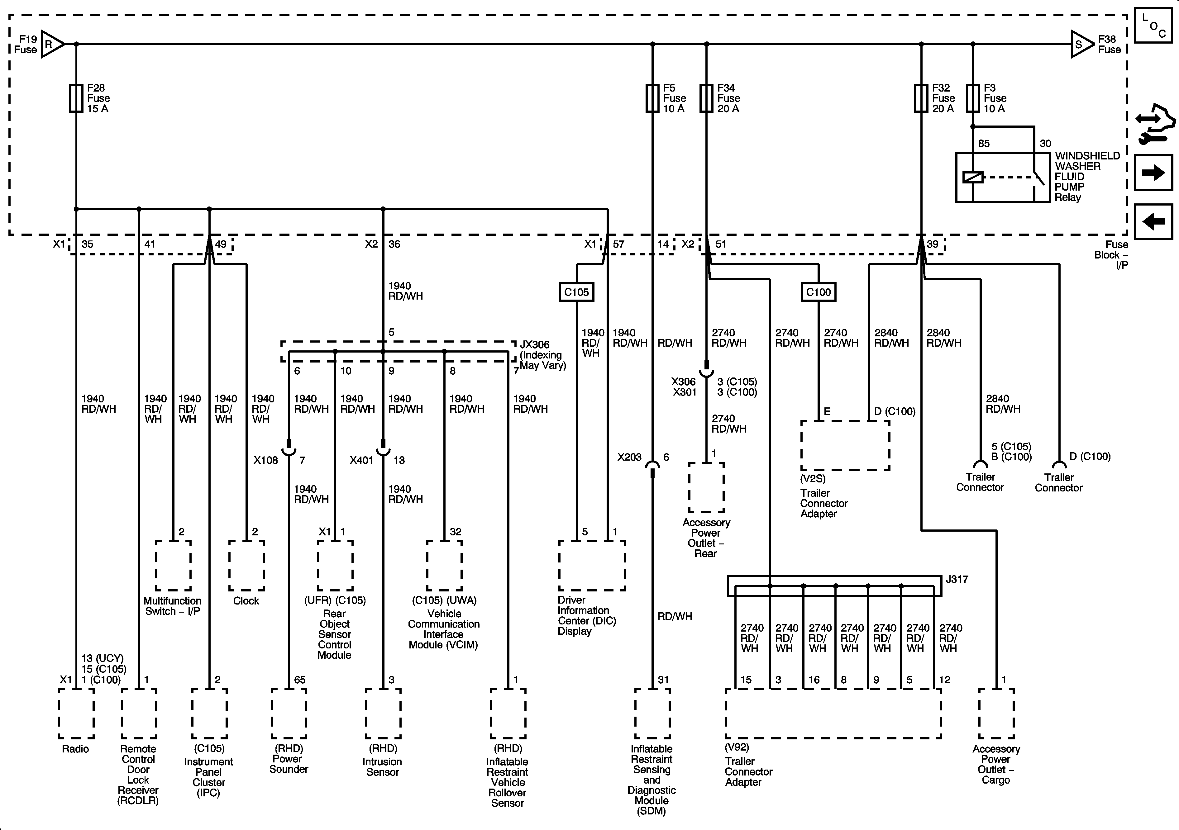
🢒 F3, 5, 28, 32, 34 Fuses
F3, 5, 28, 32, 34 Fuses
F3, 5, 28, 32, 34 Fuses
Master Electrical Component List
Control Module References
F38 Fuse, Door Lock and Unlock Relays
EF30, EF31, F4, F21, F22, F23 Fuses